EasyManua.ls Logo

Sony CCD-TR317 - Cassette Compartment Assembly

Sony CCD-TR317
228 pages
Print Icon
To Next Page IconTo Next Page
To Next Page IconTo Next Page
To Previous Page IconTo Previous Page
To Previous Page IconTo Previous Page
Loading...
6-9
703
704
706
708
705
711
712
707
708
709
701
702
710
LS CHASSIS BLOCK
ASSEMBLY (See page 6-10)
MECHANISM CHASSIS
ASSEMBLY
(See page 6-11)
708
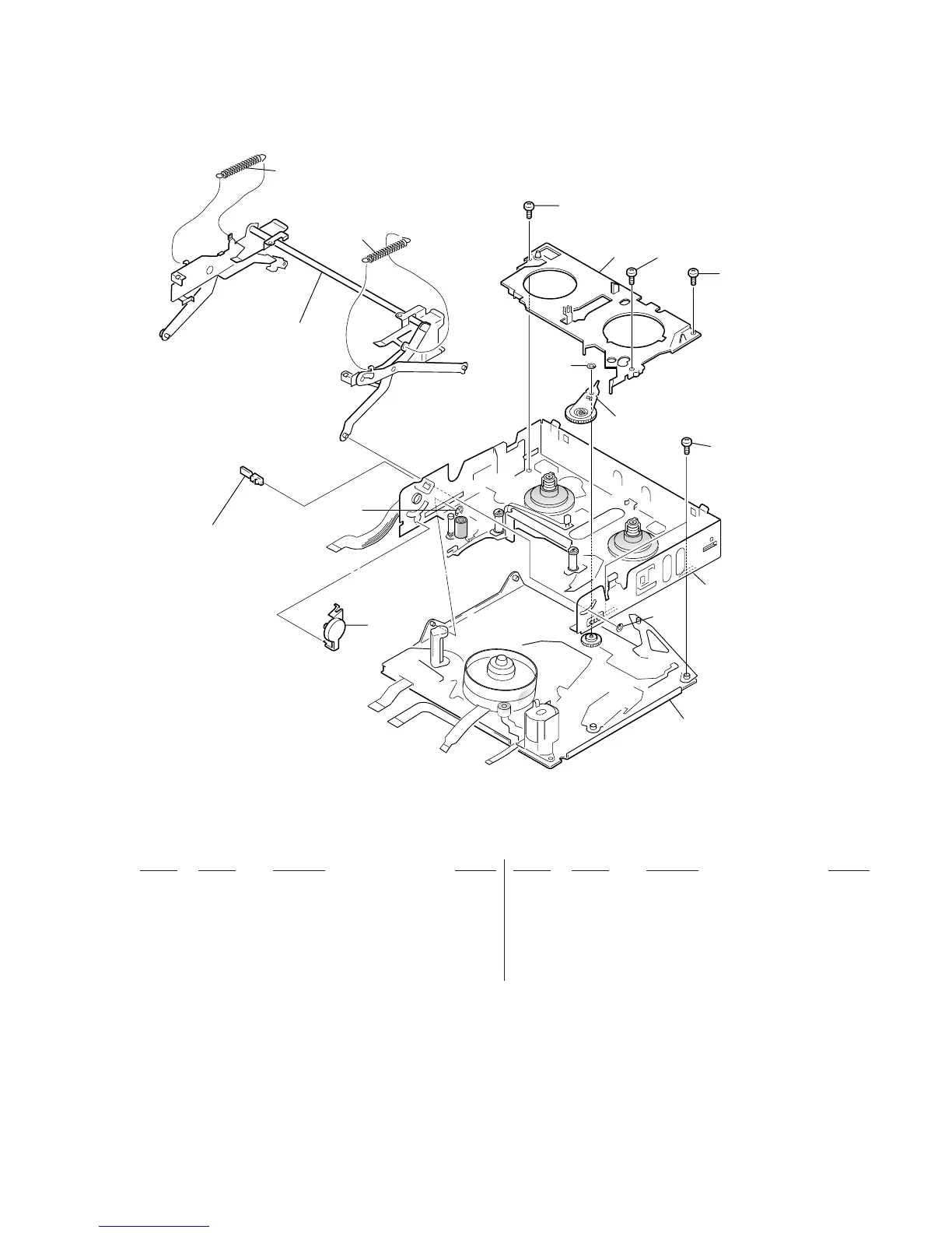
6-1-9. CASSETTE COMPARTMENT ASSEMBLY
701 A-7040-421-A DAMPER ASSY
702 7-624-102-04 STOP RING 1.5, TYPE -E
703 X-3949-153-2 CASSETTE COMPARTMENT ASSY
704 3-965-587-03 SPRING (POWER TENSION),TENSION
705 3-989-479-01 RETAINER (2), GOOSENECK
706 3-973-268-01 SPRING (POWER TENSION),TENSION
707 X-3945-399-1 GEAR ASSY, GOOSENECK
708 3-947-503-01 SCREW (M1.4X2.5)
709 3-979-686-01 WASHER, STOPPER
710 3-971-076-01 FASTENER, D
711 3-976-055-01 SCREW (M1.4X1)
712 3-331-007-21 WASHER
Ref. No. Part No. Description Remarks Ref. No. Part No. Description Remarks

Table of Contents

Related product manuals