EasyManua.ls Logo

Sony CCD-TR317 - Power Block Diagram (1;2)

Sony CCD-TR317
228 pages
Print Icon
To Next Page IconTo Next Page
To Next Page IconTo Next Page
To Previous Page IconTo Previous Page
To Previous Page IconTo Previous Page
Loading...
CCD-TR317/TR517/TRV17/TRV37/TRV47/
TRV57/TRV57P/TRV67/TRV87/TRV87P
3-29 3-30
( ) : Page No. shown in ( ) indicates the page to refer on the schematic diagram.
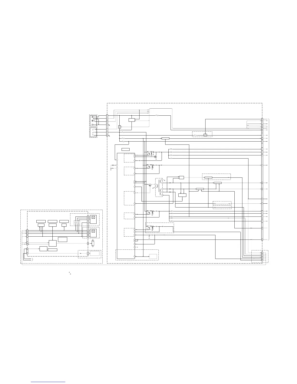
3-14.POWER BLOCK DIAGRAM (1/2)
45
40
OUTPUT-1
L302
SWITCHING
Q310
5
OUTPUT VCC 7
OUTPUT VCC 1,2,3
49
1
4
T301
Q307
SWITCHING
OUTPUT-3
50
34
OUTPUT MONITOR-3
41
COMP
Q308
SWITCHING
46
OUTPUT-2
37
OUTPUT MONITOR-2
STANDBY-3
29
STANDBY
30
27
VREF
OUTPUT VCC 4,5,6
1
DRUM/CAPSTAN
PWM DRIVE
CAP VS
DRUM VS
SWITCHING
Q311,312
28
VCC
CT
22
21
RT
DC/DC CONVERTER
F303
F304
F305
VTR UNREG
MT UNREG
BL UNREG
IC301
(1/2)
5
2
3
D311
4
1
7
5
3
6
2
BATT UNREG
DC PACK SW
BATT SIG
BATT GND
BATT/EXT
ACV UNREG
ACV GND
BATTERY
TERMINAL
DC IN
42
MOS GATE-1
OUTPUT MONITOR-1
Q313
SWITCHING
OUTPUT-4
Q309
18
SWITCHING
L306
57
OUTPUT MONITOR-4
6
8
RECT
EMERGENCY
DETECT
-7.0V REG
Q322,323,325
+15V REG
Q329,330,333
-15.3V REG
Q327,328,332
27
5
4
3
6
7
8
14
13
36
35
34
33
20
1
7
L313
L314
L315
L316
L317
L307
L308
L309
32
29
30
4.75V REG
6
8
4
17
10
15
12
11
24
21
CHARGE
CONTROL
F302
3
2
26
BATT SIG
BATT/XEXT SW
FAST CHARGE
DC PACK SW
INIT CHARGE ON
BATT UNREG
SHOE UNREG
MT 4.75V
VTR UNREG
D 2.8V
A 2.8V
AU 2.8V
D 1.5V
CAM -7.0V
CAM 15V
EVF BL 4.75V
AU 4.75V
A 4.75V
RP 4.75V
CAM DD ON
VTR DD ON
PANEL 2.8V
PANEL 4.75V
PANEL 13.3V
PANEL -15.3V
BL CONT
BL REG
DD-134 BOARD
CN931
LCD
DRIVE
TIMING
GENERATOR
COM
AMP
LCD
INDICATOR
DRIVE
6
7
5
8
3
4
5
6
1
24
3
10
2
26
PANEL 13.3V
PANEL 4.75V
PANEL -15.3V
PANEL 2.8V
BL REG
BL CONT
DISP LCD VDD
IC5501 IC5502 IC5602
VGH
VSH
VGL
BL HIGH
IC5701
CN5604
CN5501
PD-117 BOARD
BACK LIGHT
LCD
INDICATOR
ND901
BACK
LIGHT
LCD
PANEL
LCD901
DRIVE
LIGHT
BACK
EVF 13.3V
PANEL 13.3V
PANEL 4.75V
Q321
D308,313
Q317-320
D 2.8V
A 2.8V
AU 2.8V
L303
D312
EVF BL 4.75V
AU 4.75V
A 4.75V
LCD 4.75V
RP 4.75V
L301
Q301,302
Q303-305
CN301
DC PACK SW
BATT SIG
BATT/EXT SW
INIT CHARGE ON
FAST CHARGE
16
PANEL -15.3V
CN933
CN5705
CN5704
CN5701
IC5601
22
31
19
23
VDD
DISP BL
J901
16
28
FB310 EVF 2.8V
SHOE ON
F306
Q306,315
(VIDEO LIGHT MODEL)
POWER(2)
(CF-67)
IC5602
(LCD INDICATOR BACKLIGHT MODEL)
LCD901
VHS 3V
VGH
1
VSH 5V
24
LCD
VGL
3
PANEL
23
Q5502-
5506
(LCD TYPE C MODEL)
(LCD TYPE S MODEL)
(TRV MODEL)
L318
SWITCHING
Q316
L319
D310
(TRV MODEL)
FB320
FB321
(COLOR EVF MODEL)
(TRV MODEL)
EVF 13.3V
18
EVF 2.8V
25
(TRV MODEL)
STANDBY-7
31
SERVO BLOCK
2
MONITOR INPUT-7
OUTPUT-7
OUTPUT MONITOR-7
6
BL CONT
BL REG
(TRV MODEL)
POWER(2)
(VC-234)
TR MODEL : CCD-TR317/TR517
TRV MODEL : CCD-TRV17/TRV37/TRV47/TRV57/TRV57P/TRV67/TRV87/TRV87P
LCD TYPE S MODEL : CCD-TRV17/TRV37/TRV47/TRV57/TRV57P/TRV67/TRV87/TRV87P
LCD TYPE C MODEL : CCD-TRV17/TRV37/TRV47/TRV57/TRV57P/TRV67/TRV87/TRV87P
LCD INDICATOR BACK LIGHT MODEL : CCD-TRV17/TRV37/TRV57/TRV67/TRV87/TRV87P
COLOR EVF MODEL : CCD-TR517
(4-75) (4-75) (4-75)
(4-77)
(4-78)
(SEE PAGE 3-32)
(4-91)
(SEE PAGE
3-31)
[LCD TYPE CHECK]
By measuring the resistor value between Pin
6
of CN5502 and Pin
0
of
CN5502,the type of LCD can be discriminated.
1k :TYPE S
1.5k :TYPE C

Table of Contents

Related product manuals