EasyManua.ls Logo

Sony CCD-TR317 - B;W Evf Block Diagram

Sony CCD-TR317
228 pages
Print Icon
To Next Page IconTo Next Page
To Next Page IconTo Next Page
To Previous Page IconTo Previous Page
To Previous Page IconTo Previous Page
Loading...
CCD-TR317/TR517/TRV17/TRV37/TRV47/
TRV57/TRV57P/TRV67/TRV87/TRV87P
3-25 3-26
( ) : Page No. shown in ( ) indicates the page to refer on the schematic diagram.
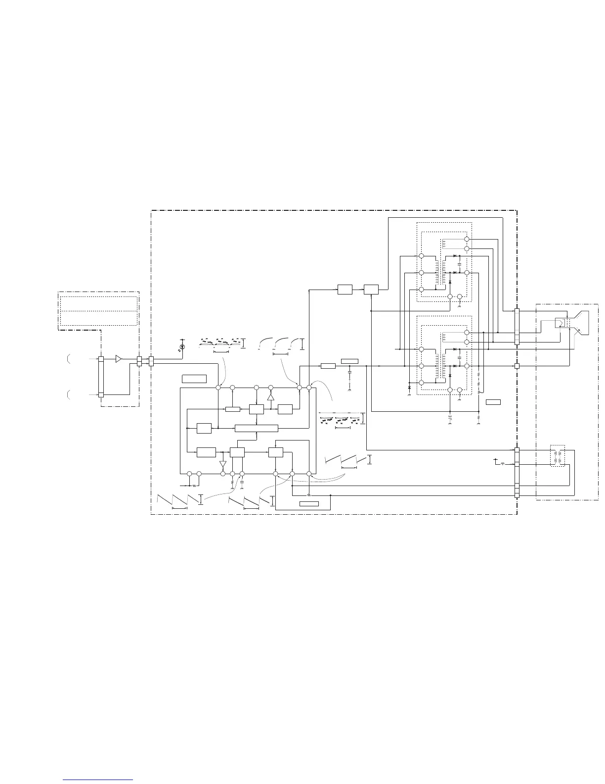
3-12.B/W EVF BLOCK DIAGRAM
IC901 1,5
2.0Vp-p
16.7 msec
IC901 3
2.0Vp-p
16.7 msec
IC901 7
1.1Vp-p
16.7 msec
IC901 qa
0.9Vp-p
H
IC901 qd
H
1.1Vp-p
H
2.4Vp-p
IC901 qh
SYNC
SEP
SEP
V SYNC
OSC
VV
OUT
DRIVE
H
OSC
H
AFC
2
11 14 15
61385
13169
712
VIDEO AMP/BLKG MIX
VCCVCC
EVF 4.6V
HV
8
5
1
4
6
2
7
3
H OUT
VIDEO
AMP
VIDEO
DRIVE
Q903
Q902
Q904
3
2
5
1
H SIZE
C909
D903
DUMPER
4
3
IC901
4
3
2
1
RV904
BRIGHT
SOL901
EVF 4.75V
CN902
V SIZE
RV903
T901
FBT
W901
EVF 4.6V
CN901
VF-129 BOARD
EVF 4.75V
D901
(TALLY)
CF-66 BOARD
4
3
CN007
Q001
38
41
XTALLY LED
MODE CONTROL(1)
(VC-234)
EVF Y
(SEE PAGE 3-15)
(VC-234)
CAMERA/VIDEO
(SEE PAGE 3-9)
16
DEFLECTION
YOKE
G1
H
H
HV
G2
DH2
DH1
DV2
DV1
PICTURE TUBE
V901
CN001
W901
8
T902
6
FBT
3
2
7
5
1
4
NOT USED
CF-67 BOARD
(TR MODEL)
(TRV MODEL)
TR MODEL : CCD-TR317
TRV MODEL : CCD-TRV17/TRV37/TRV47/TRV57/TRV57P/TRV67/TRV87/TRV87P
(4-81)

Table of Contents

Related product manuals