EasyManua.ls Logo

Sony DNW-A75 - A-4. Signal Processing

Sony DNW-A75
246 pages
Print Icon
To Next Page IconTo Next Page
To Next Page IconTo Next Page
To Previous Page IconTo Previous Page
To Previous Page IconTo Previous Page
Loading...
A-6
DNW-A75/A75P
A-4. Signal Processing
A-4. Signal Processing
A-4-1. Compression System of Video Signal
In the Betacam SX format, MPEG2 4:2:2 Profile @Main
Level (omitted as MPEG2 4:2:2P@ML hereafter) is
employed as the compression system of a video signal.
In the MPEG2 4:2:2P@ML coder of this unit, video data is
compressed for each GOP (1GOP is two frames) by frame
correlation. As a result, video data can be compressed
efficiently. In the DNW-A75/A75P, the video data is
compressed to approximately 1/10.
A-4-2. Outline of Signal Processing
Reproduction of the Betacam/Betacam SP Tape
The video and audio signals reproduced from the tape
based on a Betacam or Betacam SP format are converted
into a digital signal. After that, the output data is also sent
to the video and audio output terminals after gain adjust-
ment in the Video Processer and Audio Process.
It is possible to output the video data that is compressed
using an MPEG2 4:2:2P@ML coder, and integrated with
the audio data using an SDTI output interface (option).
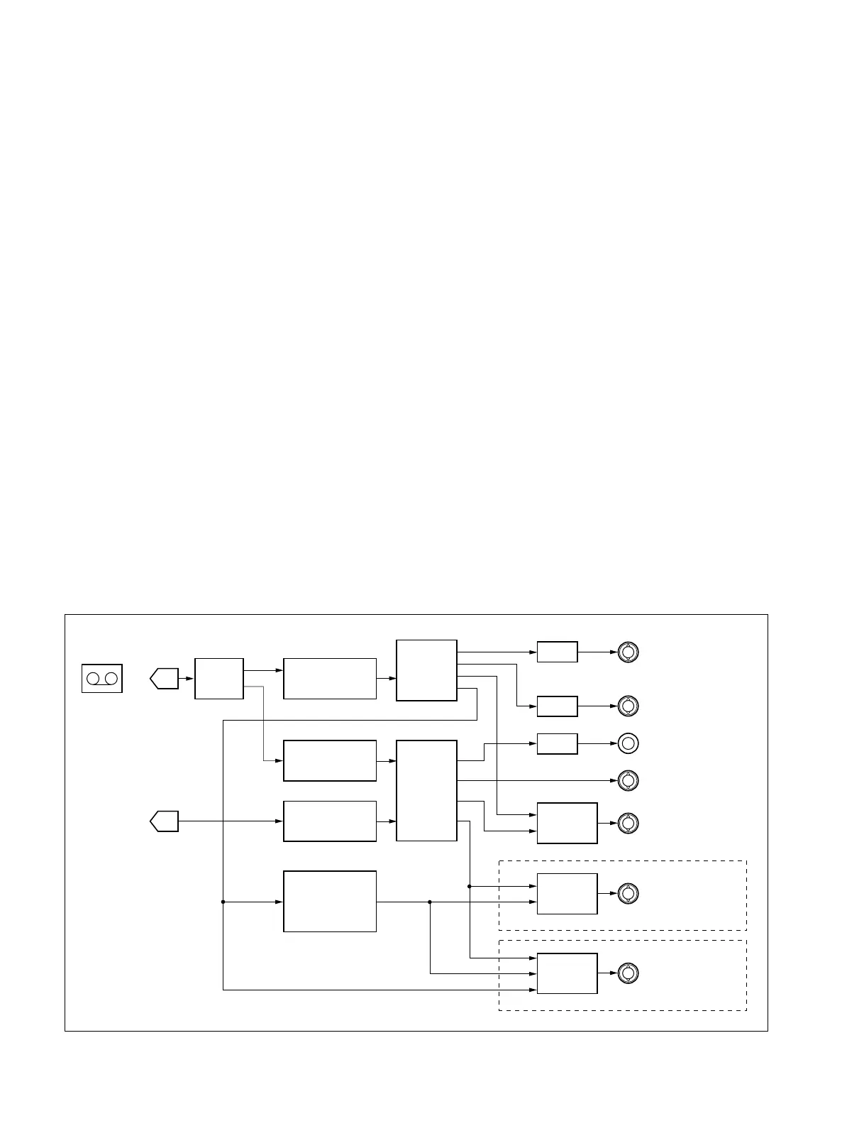
(Refer to Fig. A-4-1.)
Fig. A-4-1
Analog Betacam
Video PB
Process
Video
Process
PB
Head
LAU
Heads
Tape
(Betacam/
Betacam SP)
Analog Audio Outputs
RF
EQ
AFM
Process
LAU PB
Process
MPEG 2
4:2:2P@ML
Coder
(Bit Reduction)
Audio
Process
SDI
Interface
A
V
V
A
SDTI(SX)
Interface
D/A
D/A
D/A
Analog Video Outputs
(Composite)
Analog Video Output
(Component)
Digital Audio Outputs
(AES/EBU)
SDI Outputs
SDTI(SX) Outputs
Option BKNW-118
A
V
SDTI-CP
Interface
SDTI-CP Outputs
Option BKNW-124

Table of Contents

Related product manuals