EasyManua.ls Logo

SUNWARD SWDM40 - Checking Coolant Level

SUNWARD SWDM40
229 pages
Print Icon
To Next Page IconTo Next Page
To Next Page IconTo Next Page
To Previous Page IconTo Previous Page
To Previous Page IconTo Previous Page
Loading...
SWDM40 OPERATION & MAINTENANCE MANUAL
181
tank to avoid scald caused by spray-out of gear oil.
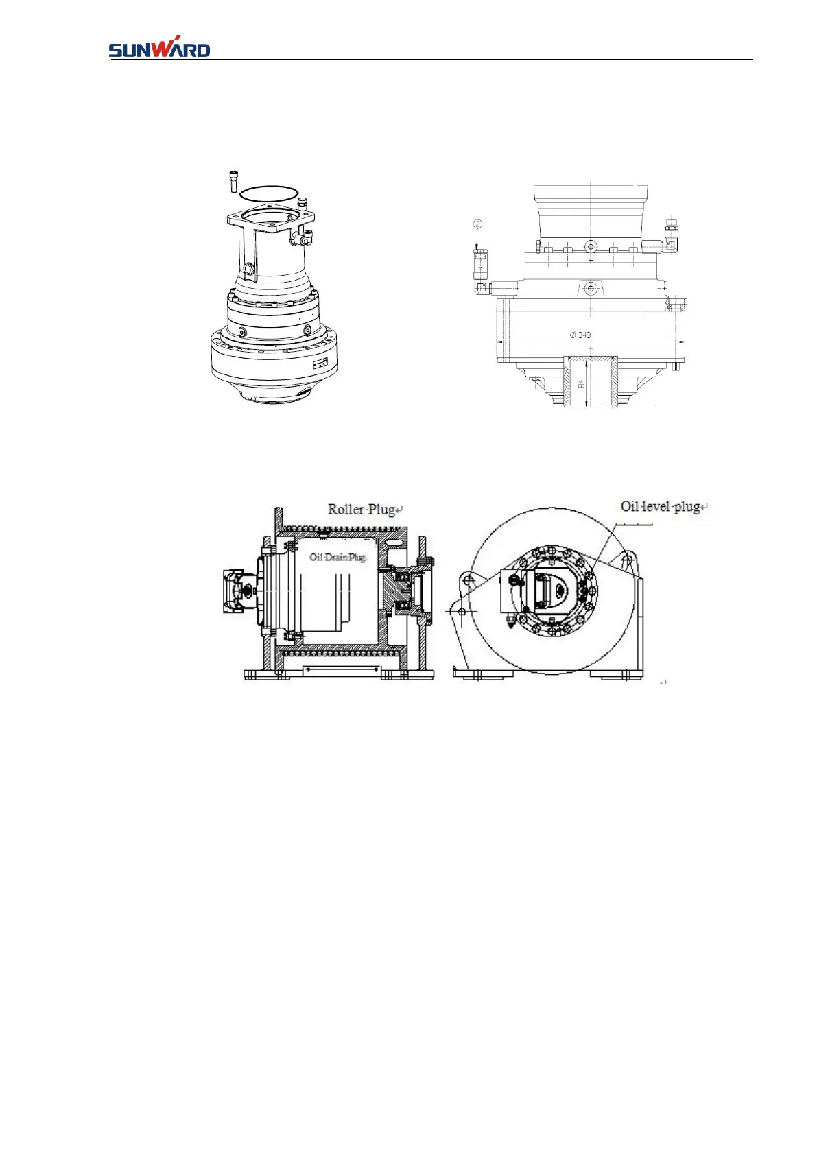
1Gear oil level inspection for Rotary drive reduction gearbox
FIG. 8-3-17 Reduction gearbox with sight glass FIG. 8-3-18 Reduction gearbox with oil scale
2Checking gear oil level for reduction gearbox
FIG. 8-3-19 Main winch reduction gearbox
8.3.15 Checking Coolant Level
Warning
Hot coolant and vapor will cause personal injury.
Engine coolant is hot with pressure at the working temperature. In the pipes of radiator
and heater contain hot coolant and vapor, which can cause serious scald if being
touched.
Dismantle pressure cap slowly to release pressure only when the engine is shut down
and the pressure cap of cooling system cools down that can be touched by hands
directly.
Don’t attempt to fasten hose joint when the cooling system is heating, in that case,
hose may drop off causing scald.

Table of Contents

Related product manuals