EasyManua.ls Logo

Unipulse F320 - 10-3-1 Equivalent Circuit

Unipulse F320
129 pages
Print Icon
To Next Page IconTo Next Page
To Next Page IconTo Next Page
To Previous Page IconTo Previous Page
To Previous Page IconTo Previous Page
Loading...
10.BCD DATA OUTPUT
86
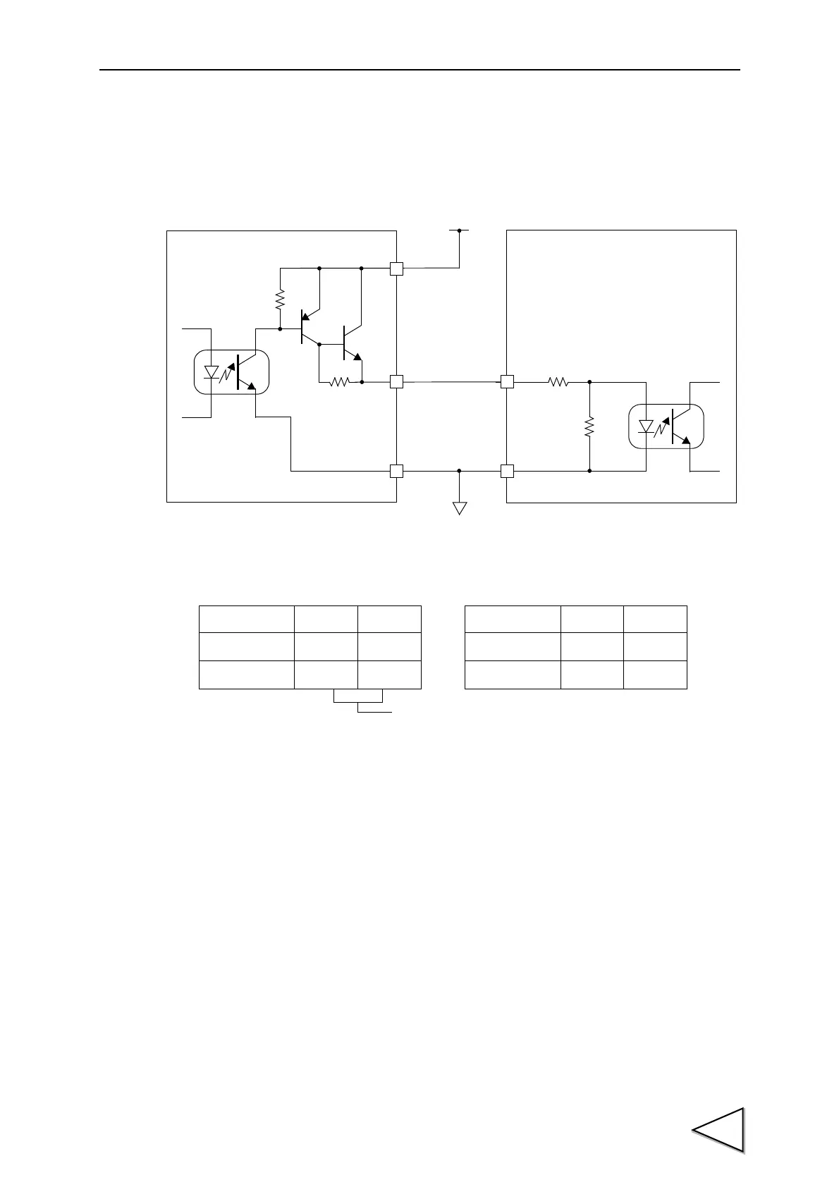
10-3-1. Equivalent Circuit
• Output
+24VRTN
In
COM
+24V
PLC input unit etc.
Minus common type
A2 A12
B2 B13
A16B16
Out
0V
F320
24V
A1B1
Source type
Internal transistor status
Output data Positive Negative
0OFFON
1ONOFF
Output pin level
Output data Positive Negative
0LH
1HL
Through logic switching pin B14

Table of Contents

Related product manuals