EasyManua.ls Logo

Unipulse F320 - 10-2-1 Equivalent Circuit

Unipulse F320
129 pages
Print Icon
To Next Page IconTo Next Page
To Next Page IconTo Next Page
To Previous Page IconTo Previous Page
To Previous Page IconTo Previous Page
Loading...
10.BCD DATA OUTPUT
80
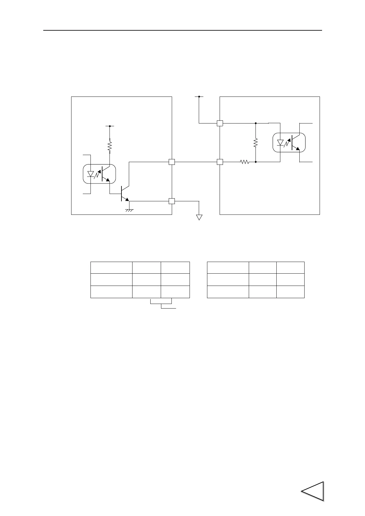
10-2-1. Equivalent Circuit
• Output
+24VRTN
COM
In
+24V
F320
Sink type
PLC input unit etc.
Plus common type
A2 A12
B2 B13
A1B1
Internal transistor status
Output data Negative Positive
0OFFON
1ONOFF
Output pin level
Output data Negative Positive
0
HL
1
LH
Through logic switching pin B14
Out
COM
+5V
Vceo=30Vmax
Ic=50mAmax

Table of Contents

Related product manuals