EasyManua.ls Logo

Yamaha F100A - Page 328

Yamaha F100A
463 pages
Print Icon
To Next Page IconTo Next Page
To Next Page IconTo Next Page
To Previous Page IconTo Previous Page
To Previous Page IconTo Previous Page
Loading...
7-12
E
BRKT
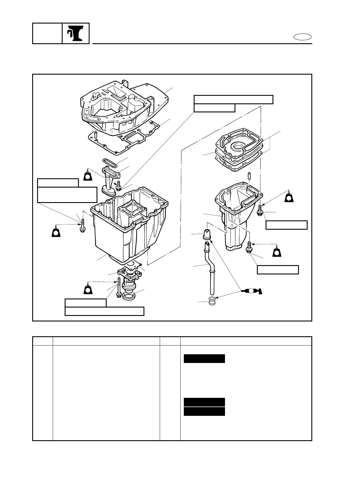
OIL PAN
EXPLODED DIAGRAM
1
2
3
4
5
6
7
8
9
10
13
14
15
16
17
18
19
12
11
6 × 25 mm
6 × 25 mm
6 × 70 mm
6 × 50 mm
6 × 30 mm
LT
LT
572
LT
LT
572
LT
LT
572
LT
LT
572
LT
LT
572
10 Nm
(1.0 m
kg, 7.2 ft
Ib)
10 Nm (1.0 m
kg, 7.2 ft
Ib)
10 Nm (1.0 m
kg, 7.2 ft
Ib)
A
Step Procedure/Part name Q’ty Service points
11 Exhaust manifold 1
12 Gasket 1
13 Bolt 12
14 Oil pan 1
15 Bolt 3
16 Oil strainer 1
17 Rubber gasket 1
18 Gasket 1
19 Exhaust guide 1
Reverse the disassembly steps for
installation.
Not reusable
Not reusable
Not reusable

Table of Contents

Other manuals for Yamaha F100A

Related product manuals