EasyManua.ls Logo

YASKAWA SGM H Series - Page 215

YASKAWA SGM H Series
615 pages
To Next Page IconTo Next Page
To Next Page IconTo Next Page
To Previous Page IconTo Previous Page
To Previous Page IconTo Previous Page
Loading...
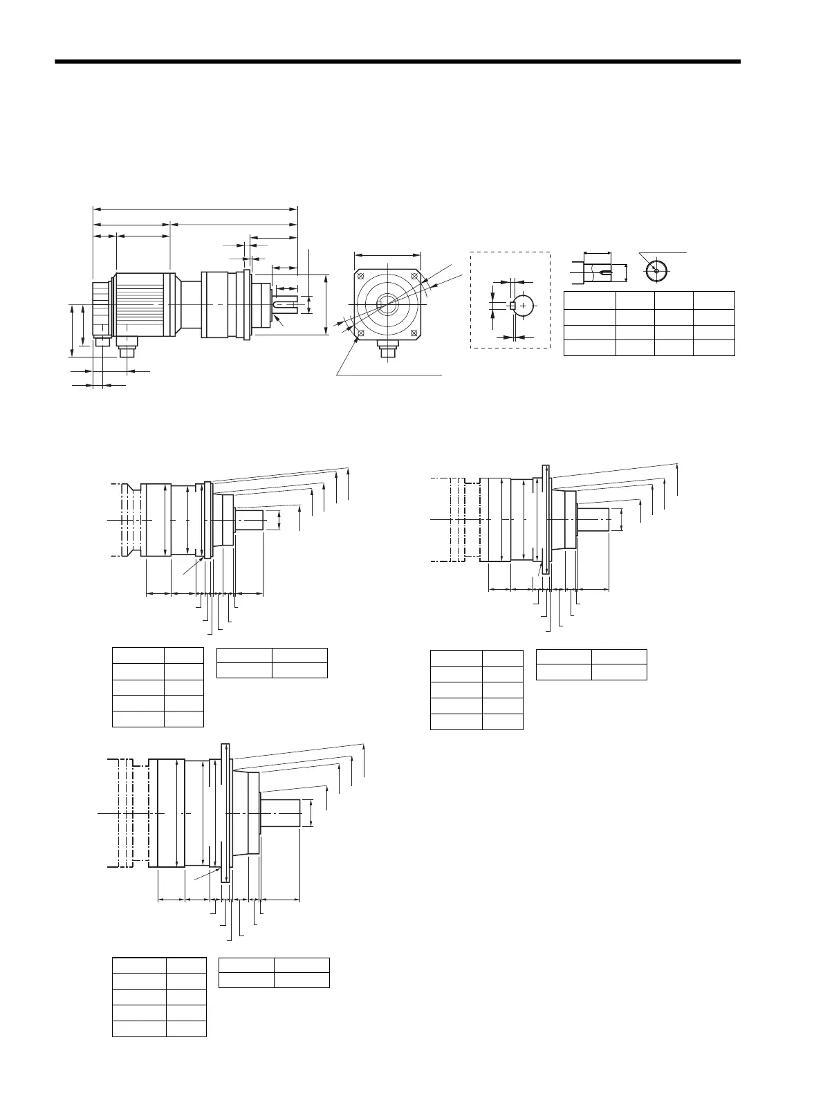
3 Specifications and Dimensional Drawings
3.17.3 SGMSH Servomotors (3000 min
-1
) With Low-backlash Gears and Without Brakes (Flange-mounted Type)
3-144
3.17.3 SGMSH Servomotors (3000 min
-1
) With Low-backlash Gears and Without
Brakes (Flange-mounted Type)
(1) Small Grease Lubricating Type
φ130h7
12(0.47)
100(3.94)
140(5.51)
R1
φ
160(
φ
6.30)
4-φ12 Mounting holes
73(2.87)
21(0.83)
96(3.78)
88(3.46)
φ
185
(
φ
7.28)
R
LM
46
(1.81)
LL
L
Q
φSh6
10
8
5
Shaft End
d-tap×L
Q
φS
Applied Specifications for Shaft-end Tap
Detailed Dimensions of IMT Gears
M12 × 24
M10 × 20
M8 × 16ANFJ-L20
ANFJ-L30
ANFJ-L40
35 (1.38)
50 (1.97)
60 (2.36)
55 (2.17)
75 (2.95)
90 (3.54)
Frame No.
Dia.S
d × L
mm
Length Q
44
(1.73)
φ132(φ5.20)
φ126(φ4.96)
φSh6
φ45(φ
1.77)
φ91(φ3.58)
φ94(φ3.70)
φLBh7
140(
5.51)
A
12(0.47)
17(0.67)
3(0.12)
(Motor)
(Motor)
(Motor)
2(0.08)
20(0.79)
20(0.79)
55
(2.17)
6 (0.24)
18 (0.71)
39 (1.54)
47 (1.85)
1/5
1/9
1/20, 1/29
1/45
Gear Ratio
A
1/5
1/9
1/20, 1/29
1/45
Gear Ratio
A
φ132(φ5.20)
R3
11 (0.43)
38 (1.50)
46 (1.81)
52 (2.05)
1/5
1/9
1/20, 1/29
1/45
Gear Ratio
A
52
(2.05)
23(0.91)
15(0.59)
33(1.30)
25(0.98)
75(2.95)
φSh6
φ190(φ
7.48)
φ184(φ7.24)
φ70(φ2.76)
φ130(φ5.12)
φ135(φ5.31)
φLBh7
A
5(0.20)
φ190(φ7.48)
φ245(φ9.65)
R3
60
(2.36)
27(1.06)
38(1.50)
25(0.98)
90(3.54)
φSh6
φ240(φ
9.45)
φ234(φ9.21)
φ90(φ3.54)
φ182(φ7.17)
φ186(φ7.32)
φLBh7
18(0.71)
A
5(0.20)
2(0.08)
16 (0.63)
48 (1.89)
55 (2.17)
58 (2.28)
φ240(φ9.45)
φ310(φ12.2)
R3
ANFJ-L20 ANFJ-L30
ANFJ-L40
3(0.12)
2(0.08)
35 (1.38)
130 (5.12)
Units: mm (in)
50 (1.97)
190 (7.48)
Units: mm (in)
60 (2.36)
240 (9.45)
Units: mm (in)
Flange LB
Shaft End S
Flange LB
Shaft End S
Flange LB
Shaft End S
47(1.85)
Artisan Technology Group - Quality Instrumentation ... Guaranteed | (888) 88-SOURCE | www.artisantg.com

Table of Contents

Related product manuals