EasyManua.ls Logo

YASKAWA SGM H Series - Position Control Mode

YASKAWA SGM H Series
615 pages
Print Icon
To Next Page IconTo Next Page
To Next Page IconTo Next Page
To Previous Page IconTo Previous Page
To Previous Page IconTo Previous Page
Loading...
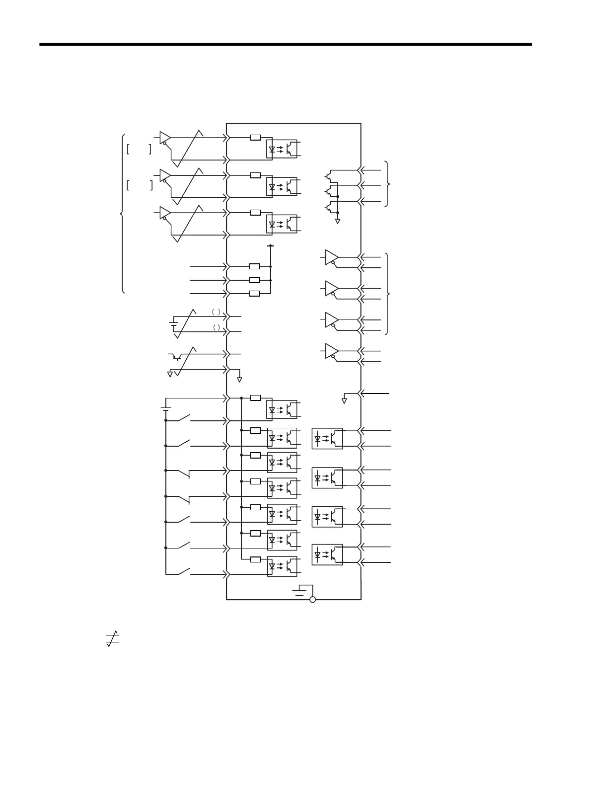
6 Wiring
6.3.2 Position Control Mode
6-10
6.3.2 Position Control Mode
* 1. : represents twisted-pair wires.
* 2. Connect a backup battery when using an absolute encoder. When connecting a battery to the host controller,
however, do not connect a backup battery.
* 3. Customers must purchase a 24 VDC power supply with double-shielded enclosure.
* 4. Enabled when using the absolute encoder.
Note: The functions allocated to the input signals SI0 to SI6 and the output signals SO1 to SO3 can be changed by
using the parameters. Refer to 7.3.2 Input Circuit Signal Allocation and 7.3.3 Output Circuit Signal Alloca-
tion.
SERVOPACK
2
+5 V
0 V
SEN
SG
BAT
+
BAT -
ALO1
ALO2
ALO3
PBO
PCO
/PBO
PAO
/PAO
/PCO
/COIN+
/COIN-
/TGON+
/TGON-
/S-RDY+
ALM+
ALM-
FG
4
22
7
8
14
15
12
11
21
27
28
29
30
31
32
(SO1)
(SI0)
(SI1)
(SI2)
(SI3)
(SI4)
(SI5)
(SI6)
(SO2)
(SO3)
26
25
19
33
34
35
36
20
37
38
39
+24 V
+24VIN
3.3 k
/S-ON
/P-CON
P-OT
N-OT
/ALM-RST
/N-CL
47
41
43
42
44
45
/P-CL
46
40
/S-RDY-
3.
PSO
/PSO
48
49
150
PULS
CLR
/PULS
SIGN
/SIGN
CLR
/CLR
PL1
PL2
PL3
PULS
1.
150
150
1
SG
4.
+12 V
Open- collector
reference
power supply
1 k
3
13
18
Servo ON
(Servo ON when ON)
Reverse run prohibited
(Prohibited when OFF)
Forward run prohibited
(Prohibited when OFF)
Alarm reset
(Reset when ON)
Reverse current limit
(Limit when ON)
Forward current limit
(Limit when ON)
SEN signal input
Backup battery
2.8 to 4.5 V
2.
2.
P control
(P control when ON)
SIGN
Position
reference
CW
Phase A
CCW
Phase B
Connect shield
to connector shell.
Connector
shell
Alarm code output
Max. operating voltage:
30 VDC
Max. operating current:
20 mA DC
PG dividing ratio output
Applicable line receiver
SN75175 manufactured
by Texas Instruments or
the equivalent corresponding
to MC3486
Positioning completed
(ON when positioning
completes.)
TGON output
(ON at levels above the setting.)
Servo ready output
(ON when ready)
Servo alarm output
(OFF for an alarm)
Photocoupler output
Max. operating voltage:
30 VDC
Max. operating current:
50 mA DC
Amount of phase-S rotation
Serial data output
Applicable line receiver
SN75175 manufactured
by Texas Instruments or
the equivalent corresponding
to MC3486
Artisan Technology Group - Quality Instrumentation ... Guaranteed | (888) 88-SOURCE | www.artisantg.com

Table of Contents

Related product manuals