EasyManua.ls Logo

YASKAWA SGM H Series - SGMCS Servomotors Φ280 Model

YASKAWA SGM H Series
615 pages
Print Icon
To Next Page IconTo Next Page
To Next Page IconTo Next Page
To Previous Page IconTo Previous Page
To Previous Page IconTo Previous Page
Loading...
3.19 Dimensional Drawings of SGMCS Servomotors
3-153
3
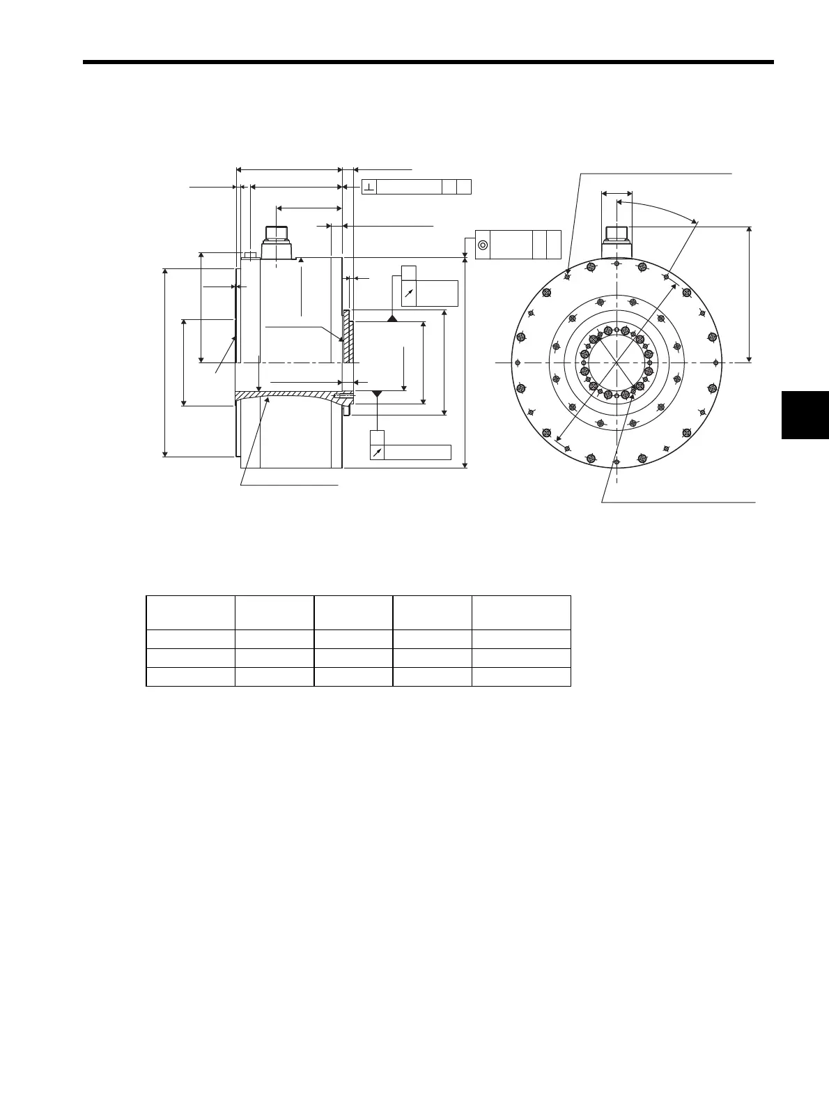
3.19.5 SGMCS Servomotors φ280 Model
Model
SGMCS-
LL KB1 KB2
Approx. Mass
kg (lb)
45MA11
141 (5.55) 87.5 (3.44) 122 (4.80) 38 (83.77)
80MA11
191 (7.52) 137.5 (5.41) 172 (6.77) 45 (99.20)
1AMA11
241 (9.48) 187.5 (7.38) 222 (8.74) 51 (112.4)
A
15 (0.59)
φ140 (5.51)
147 (5.79)
182 (7.17)
15 (0.59)
(within φ280h7)
φ280h7
φ110h7
15 (0.59)
(within φ75H6)
φ264
(10.39)
41 (1.61)
φ88
(3.46)
0.04 (0.001)
0.04
(0.001)
B
φ0.08
(0.003)
A B
0.08 (0.003)
A B
12
×M6 screw, depth 15 (0.59)
30
°
KB2
KB1
φ75.2 (2.96)
LL
6 (0.24)
5
(0.20)
φ280±0.5
(φ11.02±0.019)
φ115 (4.53)
φ250 (9.84)
1.5
(0.059)
Rotating
Section
φ75H6
(Rotating
Section)
Rotating Section
(shown with hatching)
Rotating Section
(shown with
hatching)
12×M6 screw, depth 18 (0.71)
Reference length
Units: mm (in)
φ75H6: φ75 (φ2.953 )
+0.019
0
+0.0005
-0.0002
φ280h7: φ280 (φ11.023 )
-0.052
0
+0.0006
-0.0014
φ110h7: φ110 (φ4.33 )
0
-0.035
+0.0007
-0.0007
Artisan Technology Group - Quality Instrumentation ... Guaranteed | (888) 88-SOURCE | www.artisantg.com

Table of Contents

Related product manuals