EasyManua.ls Logo

YASKAWA SGM H Series - Example of Connection to Omrons Position Control Unit C500-NC221 (SERVOPACK in Speed Control Mode); Example of Connection to Omrons Position Control Unit

YASKAWA SGM H Series
615 pages
Print Icon
To Next Page IconTo Next Page
To Next Page IconTo Next Page
To Previous Page IconTo Previous Page
To Previous Page IconTo Previous Page
Loading...
12 Appendix
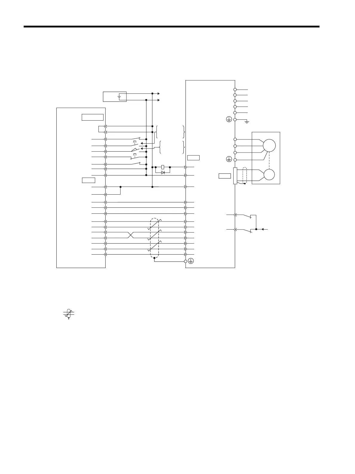
12.2.7 Example of Connection to OMRON’s Position Control Unit C500-NC221 (SERVOPACK in Speed Control Mode)
12-20
12.2.7 Example of Connection to OMRON’s Position Control Unit C500-NC221
(SERVOPACK in Speed Control Mode)
* 1. The ALM signal is output for approximately two seconds when the power is turned ON. Take this into consid-
eration when designing the power ON sequence. The ALM signal actuates the alarm detection relay 1Ry to
stop main circuit power supply to the SERVOPACK.
* 2. Connect the I/O cable’s shield wire to the connector shell.
* 3. represents twisted-pair wires.
Note: Only signals applicable to OMRON’s C500-NC221 position control unit and Yaskawa’s SGDM
SERVOPACK are shown in the diagram.
42
43
3Ry
1Ry
4Ry
3Ry
19
36
35
20
1
34
33
CCWLX
STPX
ORGX
EMGX
DC GND
DC GND
CWLX
X-AG
X-OUT
OUT-1X
+24V
0V
X-B
X-C
X-A
+24V
+
-
EXT IN
+24V
M/D
ALM+
ALM -
V-REF(T-REF)
SG
P-OT
N-OT
4Ry
3(13)
4(14)
5(15)
6(16)
1
11
2(12)
9
8
6(22)
1(17)
15(13)
16(14)
4(20)
5(21)
7(23)
8(24)
9(25)
3(19)
5(9)
6(10)
31
32
47
40
1
2
/S-ON
+24VIN
3
11
12
X-/B
X-/C
X-/A
0
24V
+24V
PAO
SG
PCO
PBO
/PAO
/PCO
/PBO
0
24V
I/O power supply
X-axis (Y-axis)
Position control
unit C500-NC221
manufactured by
OMRON
ON when
positioning
is canceled.
ON when
proximity
is detected.
SGDM SERVOPACK
Connector
2
shell
CN2
CN1
L1C
L3
L2
L1
L2C
W
V
A(1)
B
(2)
C
(3)
D
(4)
U
Servomotor
M
PG
Artisan Technology Group - Quality Instrumentation ... Guaranteed | (888) 88-SOURCE | www.artisantg.com

Table of Contents

Related product manuals