EasyManua.ls Logo

YASKAWA SGM H Series - Torque Control Mode

YASKAWA SGM H Series
615 pages
Print Icon
To Next Page IconTo Next Page
To Next Page IconTo Next Page
To Previous Page IconTo Previous Page
To Previous Page IconTo Previous Page
Loading...
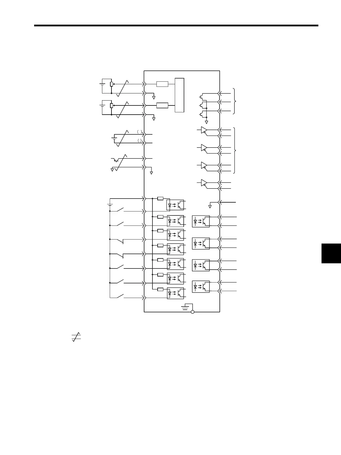
6.3 Examples of I/O Signal Connections
6-11
6
6.3.3 Torque Control Mode
* 1. : represents twisted-pair wires.
* 2. The time constant for the primary filter is 47 µs.
* 3. Connect a backup battery when using an absolute encoder. When connecting a battery to the host controller,
however, do not connect a backup battery.
* 4. Enabled by the parameter setting.
* 5. Customers must purchase a 24 VDC power supply with double-shielded enclosure.
* 6. Enabled when using the absolute encoder.
Note: The functions allocated to the input signals SI0 to SI6 and the output signals SO1 to SO3 can be changed by
using the parameters. Refer to 7.3.2 Input Circuit Signal Allocation and 7.3.3 Output Circuit Signal Alloca-
tion.
SERVOPACK
BAT +
BAT -
PBO
PCO
PSO
/PBO
PAO
/PAO
/PCO
/VLT+
/VLT-
/TGON+
/TGON-
/S-RDY+
ALM+
ALM-
FG
22
21
10
27
28
29
30
31
32
25
(SO1)
(SI0)
(SI1)
(SI2)
(SI3)
(SI4)
(SI5)
(SI6)
(SO2)
(SO3)
26
19
33
34
35
36
20
+24 V
+24VIN
3.3 k
/S-ON
/P-CON
P-OT
N-OT
/ALM-RST
/N-CL
47
41
43
42
44
45
/P-CL
46
40
/S-RDY-
/PSO
48
49
V-REF
SG
A / D
5
6
2.
1.
LPF
T-REF
SG
9
2.
5.
LPF
2
+5 V
0 V
SEN
SG
4
ALO1
ALO2
ALO3
37
38
39
1
SG
6.
Backup battery
2.8 to 4.5 V
3.
Servo ON
(Servo ON when ON)
Reverse run prohibited
(Prohibited when OFF)
Forward run prohibited
(Prohibited when OFF)
Alarm reset
(Reset when ON)
Reverse current limit
(Limit when ON)
Forward current limit
(Limit when ON)
P control
(P control when ON)
Torque reference
(
±1 to ±10 V
/rated torque)
SEN signal input
3.
4.
External speed limit
(
±2 to ±10 V
/rated motor speed)
PG dividing ratio output
Applicable line receiver
SN75175 manufactured
by Texas Instruments or
the equivalent corresponding
to MC3486
Connect shield to
connector shell.
Connector
shell
TGON output
(ON at levels above the setting.)
Servo alarm output
(OFF for an alarm)
Photocoupler output
Max. operating voltage:
30 VDC
Max. operating current:
50 mA DC
Speed limit output
(ON when the motor’s
running speed is limited.)
4.
Alarm code output
Max. operating voltage:
30 VDC
Max. operating current:
20 mA DC
Servo ready output
(ON when ready)
Amount of phase-S rotation
Serial data output
Applicable line receiver
SN75175 manufactured
by Texas Instruments or
the equivalent corresponding
to MC3486
Artisan Technology Group - Quality Instrumentation ... Guaranteed | (888) 88-SOURCE | www.artisantg.com

Table of Contents

Related product manuals