EasyManua.ls Logo

YASKAWA SGM H Series - Example of Connection to Mitsubishis AD75 Positioning Unit (SERVOPACK in Position Control Mode)

YASKAWA SGM H Series
615 pages
Print Icon
To Next Page IconTo Next Page
To Next Page IconTo Next Page
To Previous Page IconTo Previous Page
To Previous Page IconTo Previous Page
Loading...
12.2 Connection to Host Controller
12-23
12
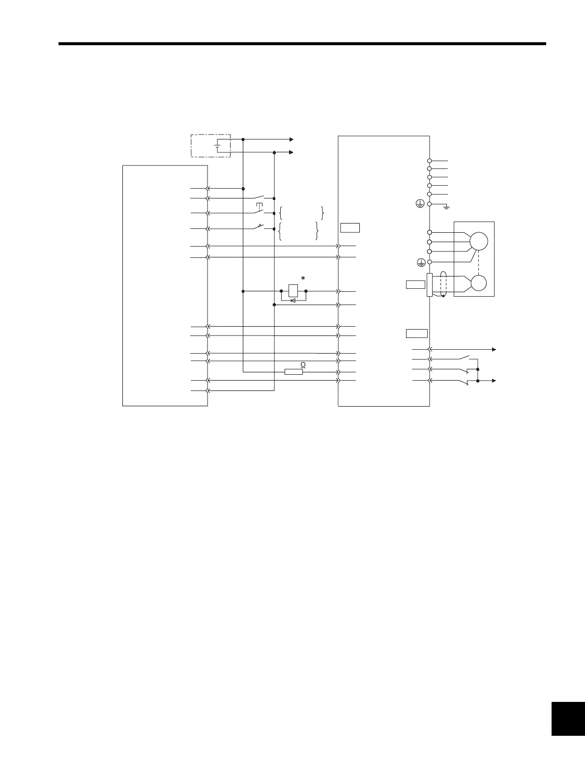
12.2.10 Example of Connection to MITSUBISHI’s AD75 Positioning Unit
(SERVOPACK in Position Control Mode)
* The ALM signal is output for about two seconds when the power is turned ON. Take this into consideration when
designing the power ON sequence. The ALM signal actuates the alarm detection relay 1Ry to stop the main cir-
cuit power supply to the SERVOPACK.
Note: Only signals applicable to Mitsubishis AD75 Positioning Unit and Yaskawa’s SGDM SERVOPACK are
shown in the diagram.
+
-
+24V
0
24
V
1Ry
CN1
CN1
STOP
DOG
READY
PGO
PULSE
SIGN
CLEAR
1Ry
2.2K
19
14
15
12
8
7
32
31
20
42
43
40
47
/S-ON
P-OT
N-OT
25
24
14
7
26
23
5
22
4
21
3
+24 V
0
24
V
+24
V
PULS
CLR
SIGN
/PULS
/CLR
/SIGN
ALM+
ALM
-
PCO
/PCO
Positioning unit AD75
manufactured by
Mitsubishi
I/O power supply
X-axis (Y-axis)
SGDM
SERVOPACK
ON when
proximity is
detected.
ON when
positioning is
canceled.
11
11
CN2
L1C
L3
L2
L1
L2C
W
V
A(1)
B
(2)
C
(3)
D
(4)
U
Servomotor
M
Control
power supply
Main circuit
power supply
PG
Artisan Technology Group - Quality Instrumentation ... Guaranteed | (888) 88-SOURCE | www.artisantg.com

Table of Contents

Related product manuals