EasyManua.ls Logo

YASKAWA SGM H Series - Wiring Encoders; Connecting an Encoder (CN2) and Output Signals from the SERVOPACK (CN1)

YASKAWA SGM H Series
615 pages
Print Icon
To Next Page IconTo Next Page
To Next Page IconTo Next Page
To Previous Page IconTo Previous Page
To Previous Page IconTo Previous Page
Loading...
6.2 Wiring Encoders
6-7
6
(b) Setting Parameters
6.2 Wiring Encoders
The connection cables between encoder and SERVOPACK and wiring pin numbers differ depending on servo-
motor model. Refer to Chapter 5 Specifications and Dimensional Drawings of Cables and Peripheral Devices
for details.
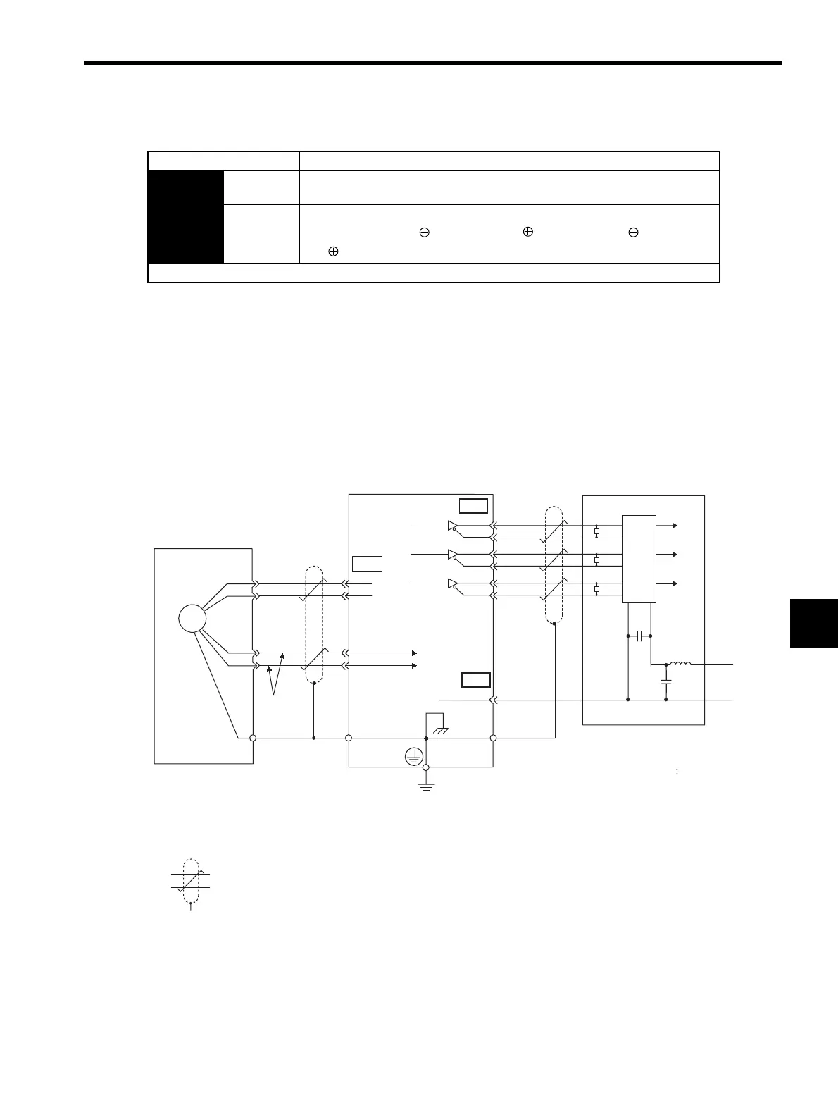
6.2.1 Connecting an Encoder (CN2) and Output Signals from the SERVOPACK
(CN1)
(1) Incremental Encoders
Parameter Meaning
Pn001
n.0
Not applicable for main circuit DC power supply input: Input the AC power sup-
ply for the terminal L1, L2 or L3.
n.1
Applicable for main circuit DC power supply input: Input the DC power supply
between the terminal and the terminal 1, or the terminal and the termi-
nal .
• When changing the parameters, turn the power ON again for the necessity of the effective setting.
35
0 V
SG
1
0 V
0 V
+5 V
+5 V
PA
O
/PAO
PBO
/PBO
PCO
/PCO
PG5V
PG0V
1
2
5
6
CN2
33
34
36
19
20
PG
CN1
0.33 mm
(0.001 in )
2
Light blue
PG
5 V
PG
0 V
PS
/PS
White/Light blue
Incremental
encoder
Red
Black
Shield wire
(Shell)
Connector shell
Connector
shell
Output line-driver SN75ALS194
manufactured by Texas
Instruments or the equivalent.
Phase A
Phase
A
Phase B
Phase
B
Phase C
Phase
C
SERVOPACK
Line receiver
Host controller
Choke
coil
Smoothing
capacitor
R (terminator): 220 to 470
C (Decoupling Capacitor)
0.1 µF
CN1
11
5
3
2
1
R
R
R
6
7
10
9
816
C
+
-
: represents twisted-pair wires.
2
The pin numbers for the connector wiring differ depending on the servomotors.
C, D, H, G : pin number for the SGMGH, SGMSH, SGMDH servomotors.
1, 2, 5, 6 : pin number for the SGMAH and SGMPH servomotors.
1
2
C (5)
2
2
D (6)
H (1)
G (2)
1
Artisan Technology Group - Quality Instrumentation ... Guaranteed | (888) 88-SOURCE | www.artisantg.com

Table of Contents

Related product manuals