EasyManua.ls Logo

YASKAWA SGM H Series - Variable Resistor for Speed and Torque Setting

YASKAWA SGM H Series
615 pages
Print Icon
To Next Page IconTo Next Page
To Next Page IconTo Next Page
To Previous Page IconTo Previous Page
To Previous Page IconTo Previous Page
Loading...
5 Specifications and Dimensional Drawings of Cables and Peripheral Devices
5.8.14 Variable Resistor for Speed and Torque Setting
5-80
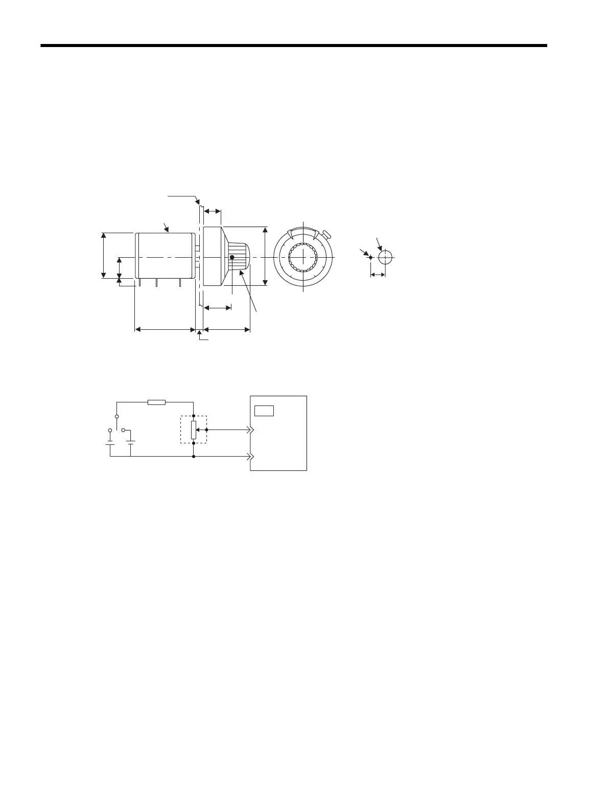
5.8.14 Variable Resistor for Speed and Torque Setting
(1) Model: 25HP-10B
The multiturn type winding variable resistors with dial MD10-30B4 are manufactured by Sakae Tsushin Kogyo
Co., Ltd. Contact Yaskawa Controls Co., Ltd.
(2) Dimensional Drawings
(3) Example of Connection to an External Power Supply
MD multi-dial
25 HP Helicolumn
(Panel driling diagram)
Panel
11.5±1 (0.45±0.04)
37.5±1 (1.48±0.04)
24±1
(0.94±0.04)
14.5±1
(0.57±0.04)
φ25±1 (φ0.98±0.04)
φ31±1
(φ1.22±0.04)
21 (0.83) max.
23 1
4.5 (0.18)
φ2.5
(φ0.10)
hole
φ7.5 (φ0.30) hole
10 (0.39)
Units: mm (in)
12V
1.8 k(1/2 W) min.
25HP-10B
2 k
3
1
2
SERVOPACK
5
6
(9)
(10)
CN1
V-REF
(T-REF)
SG
Artisan Technology Group - Quality Instrumentation ... Guaranteed | (888) 88-SOURCE | www.artisantg.com

Table of Contents

Related product manuals