EasyManua.ls Logo

YASKAWA SGM H Series - Magnetic Contactor

YASKAWA SGM H Series
615 pages
To Next Page IconTo Next Page
To Next Page IconTo Next Page
To Previous Page IconTo Previous Page
To Previous Page IconTo Previous Page
Loading...
5 Specifications and Dimensional Drawings of Cables and Peripheral Devices
5.8.11 Magnetic Contactor
5-74
5.8.11 Magnetic Contactor
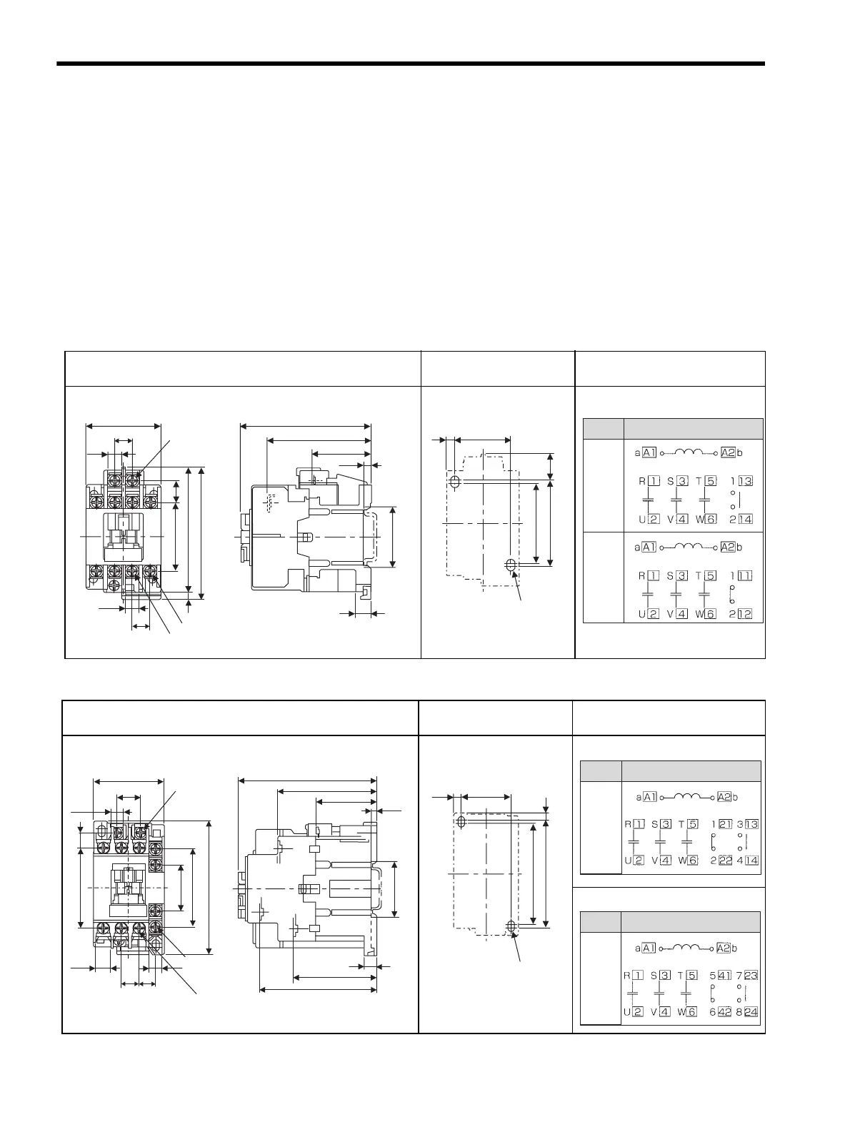
(1) Model: HI-J
The magnetic contactor is manufactured by Yaskawa Controls Co., Ltd.
A magnetic contactor is required to make the AC power supply to SERVOPACK ON/OFF sequence externally.
Be sure to attach a surge suppressor to the excitation coil of the magnetic contactor. Refer to 5.8.12 Surge Sup-
pressor for details of the surge suppressor.
For selecting a magnetic contactor, refer to 2.6.3 Noise Filters, Magnetic Contactors, Surge Suppressors and DC
Reactors.
(2) For Single-phase 100/200 V and Three-phase 200 V SERVOPACKs
(a) Model: HI-11J
(b) Model: HI-15J and HI-20J
Dimensions in mm (in)
Mounting Hole
Dimensions in mm (in)
Terminal Symbols
Approx. mass: 0.25 kg (0.55 lb)
9 (0.35)
35(1.38)
76 (2.99)
61 (2.40)
34.5 (1.36)
4.5 (0.18)
a
b
2U
1RST
44 (1.73)
10.1 (0.40)
13
(0.51)
8.2 (0.32)
41 (1.61)
74.5 (2.93)
78.5 (3.09)
8.2
(0.32)
10.4 (0.41)
4
(0.16)
M3.5 Auxiliary contact terminal
M3.5 Main contact terminal
M3.5 Coil
terminal
VW
2 × M4 Mounting
holes
43 (1.69)
5
(0.20)
52 (2.05)
48 (1.89)
15.5
(0.61)
1NO
1NC
Auxiliary
contact
Structure
Dimensions in mm (in)
Mounting Hole
Dimensions in mm (in)
Terminal Symbols
Approx. mass: 0.38 kg (0.84 lb)
91 (3.58)
35 (1.38)
65 (2.56)
4.5
(0.18)
76 (2.99)
54 (2.13)
9 (0.35)
39 (1.54)
RS
U
W
V
T
a
b
45.5 (1.79)
15.3 (0.60)
3 (0.12)
1 (0.04)
4 (0.16)
2
(0.08)
51 (2.01)
8.2
(0.32)
9.6 (0.38)
M3.5 Main
contact terminal
M3.5 Coil
terminal
M3.5 Auxiliary
contact terminal
11.3
(0.44)
10.8
(0.43)
9.6
(0.38)
85 (3.35)
50 (1.97)
29 (1.14)
8.2
(0.32)
5.2
(0.20)
35 (1.38)
5
(0.20)
75 (2.95)
70 (2.76)
2 × M4 Mounting
holes
1NO1NC
HI-15J
Auxiliary
contact
Structure
Auxiliary
contact
Structure
1NO1NC
HI-20J
Artisan Technology Group - Quality Instrumentation ... Guaranteed | (888) 88-SOURCE | www.artisantg.com

Table of Contents

Related product manuals