EasyManua.ls Logo

YASKAWA SGM H Series - SGMCS Servomotors Φ360 Model

YASKAWA SGM H Series
615 pages
Print Icon
To Next Page IconTo Next Page
To Next Page IconTo Next Page
To Previous Page IconTo Previous Page
To Previous Page IconTo Previous Page
Loading...
3 Specifications and Dimensional Drawings
3.19.6
SGMCS
Servomotors φ360 Model
3-154
3.19.6 SGMCS
Servomotors φ360 Model
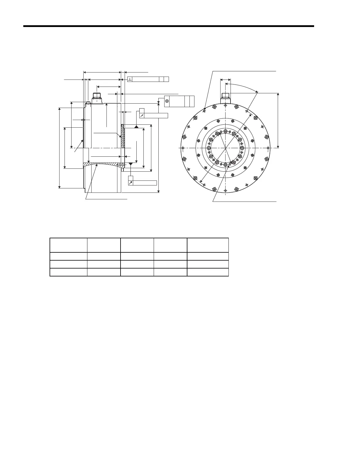
Model
SGMCS-
LL KB1 KB2
Approx. Mass
kg (lb)
80NA11
151 (5.94) 98 (3.86) 132 (5.19) 50 (110.2)
1ENA11
201 (7.91) 148 (5.82) 182 (7.16) 68 (149.9)
2ZNA11
251 (9.88) 198 (7.79) 232 (9.13) 86 (189.5)
A
30
°
φ344
(13.54)
φ135
(5.31)
15 (0.59)
φ360h7
φ166 (6.54)
15 (0.59)
(within φ118H6)
0.04 (0.001)
φ118H6
B
φ190 (7.48)
φ160h7
φ0.08
(0.003)
A B
0.08 (0.003) A B
222 (8.74)
41 (1.61)
186 (7.32)
KB2
KB1
15 (0.59) (within φ360h7)
φ118.2 (4.65)
5
(0.20)
φ360±0.5
(φ14.17±0.019)
LL
φ325 (12.7)
6 (0.24)
Rotating
Section
1.5
(0.059)
(Rotating
Section)
Rotating Section
(shown with
hatching)
Rotating Section
(shown with hatching)
12×M8 screw, depth 20 (0.79)
12
×M8 screw, depth 15 (0.59)
Reference length
Units: mm (in)
φ118H6: φ118 (φ4.646 )
+0.022
0
+0.0005
-0.0003
φ360h7: φ360 (φ14.173 )
φ160h7: φ160 (φ6.299 )
0
-0.040
+0.0002
-0.0014
0
-0.057
+0.0002
-0.0020
0.04 (0.001)
Artisan Technology Group - Quality Instrumentation ... Guaranteed | (888) 88-SOURCE | www.artisantg.com

Table of Contents

Related product manuals