EasyManua.ls Logo

YASKAWA SGM H Series - Page 462

YASKAWA SGM H Series
615 pages
Print Icon
To Next Page IconTo Next Page
To Next Page IconTo Next Page
To Previous Page IconTo Previous Page
To Previous Page IconTo Previous Page
Loading...
8.6 Operating Using Position Control
8-55
8
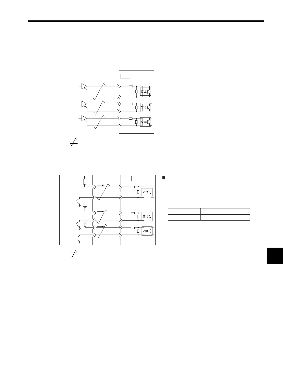
(2) Connection Example
(a) Connection Example for Line-driver Output
Applicable line driver: SN75174 manufactured by Texas Instruments Inc., or MC3487 or equivalent
* : Represents twisted-pair wires.
(b) Connection Example for Open-collector Output
Select the limit resistance R1 value so that the input current i will be within 7 to 15 mA.
* : Represents twisted-pair wires.
Line
driver
SERVOPACK
Host controller
Photocoupler
CN1
7
8
14
15
12
11
/PULS
SIGN
/SIGN
CLR
/CLR
PULS
150
150
150
CN1
7
8
14
15
12
11
/PULS
SIGN
/SIGN
CLR
/CLR
PULS
Example
When Vcc is +12V: R1=1 k
When Vcc is +24V: R1=2.2 k
When Vcc is +5V: R1=180
Note: When the open-collector output is used,
the signal logic is as follows:
When Tr1 is ON High level input or equivalent
Low level input or equivalentWhen Tr1 is OFF
Vcc
R1
i
R1
R1
i
i
SERVOPACK
Host controller
Photocoupler
150
150
150
Artisan Technology Group - Quality Instrumentation ... Guaranteed | (888) 88-SOURCE | www.artisantg.com

Table of Contents

Related product manuals