EasyManua.ls Logo

Agilent Technologies 3070 Series - Page 209

Agilent Technologies 3070 Series
410 pages
Print Icon
To Next Page IconTo Next Page
To Next Page IconTo Next Page
To Previous Page IconTo Previous Page
To Previous Page IconTo Previous Page
Loading...
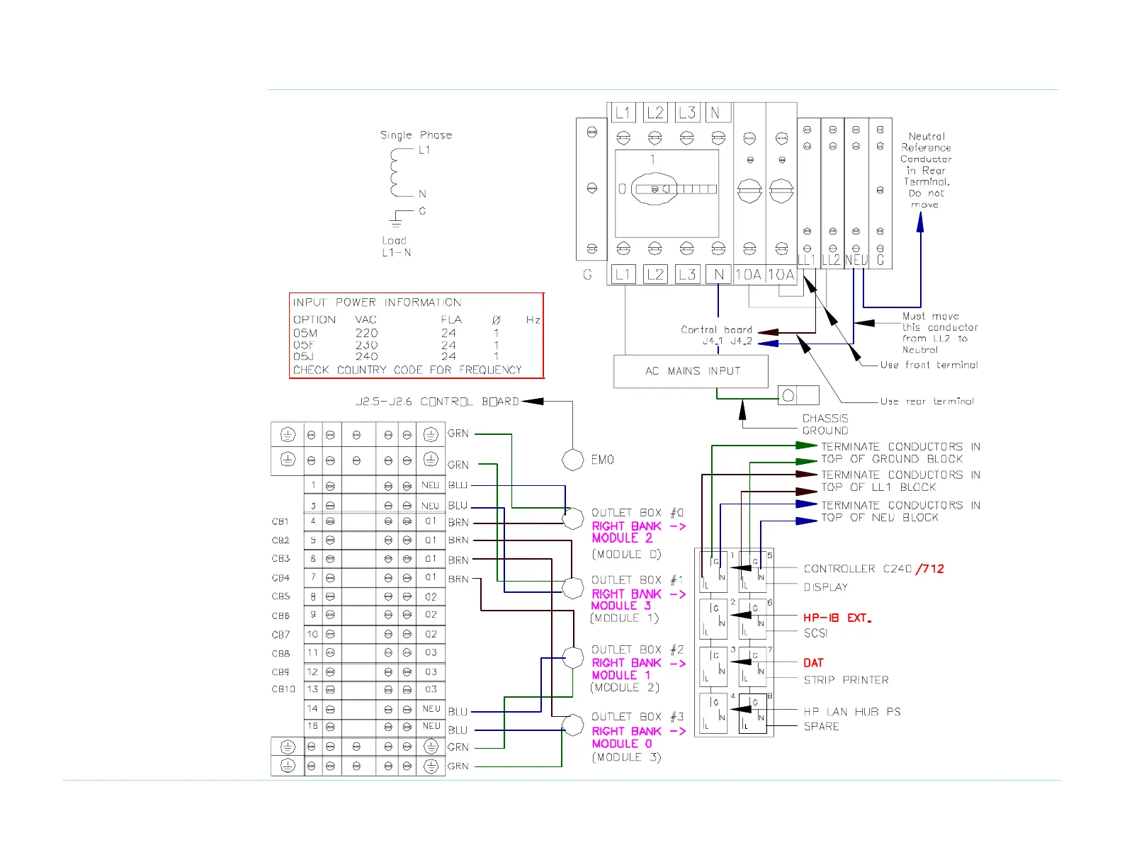
© Agilent Technologies 1989–2002 Agilent 3070 / 79000 Site Preparation 10-48
Chapter 10: Site Preparation – Power Requirements for Older Systems: Series 3 Power Requirements and Connections (Prior to May 2001)
Figure 10-33 317X 05M, 05F, 05J
31LN.wpg
Unswitched
(Fused)

Table of Contents

Related product manuals