EasyManua.ls Logo

Agilent Technologies 3070 Series - Page 367

Agilent Technologies 3070 Series
410 pages
Print Icon
To Next Page IconTo Next Page
To Next Page IconTo Next Page
To Previous Page IconTo Previous Page
To Previous Page IconTo Previous Page
Loading...
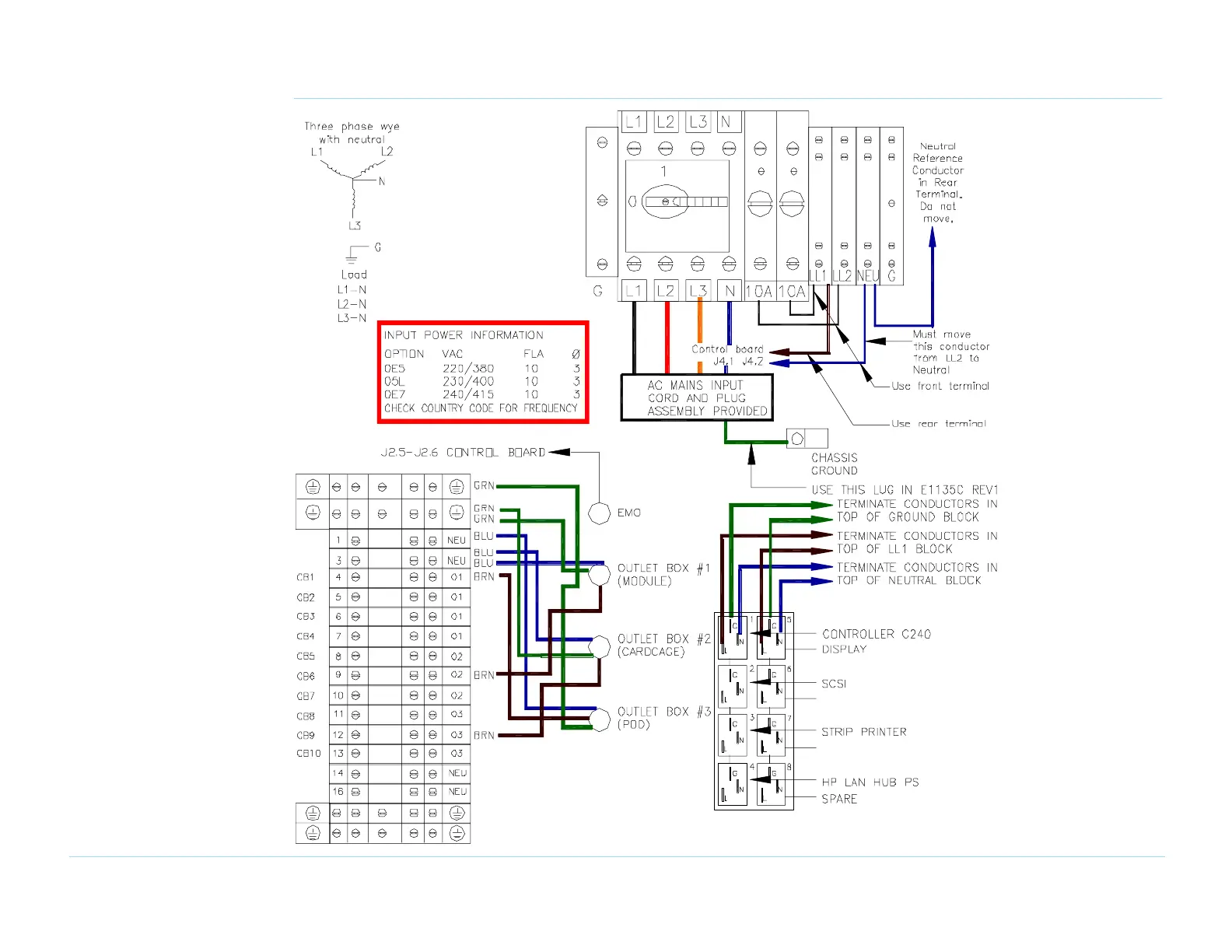
© Agilent Technologies 1989–2002 Agilent 3070 / 79000 Site Preparation 11-43
Chapter 11: Site Preparation – Series 3 / 79000 Current Reduction Conversion: Series 3 Current Reduction Conversion Procedure
Figure 11-22 79000 0E5, 05L, 0E7
79LLLN.wpg
Unswitched
(Fused)

Table of Contents

Related product manuals