EasyManua.ls Logo

Agilent Technologies 3070 Series - Page 397

Agilent Technologies 3070 Series
410 pages
Print Icon
To Next Page IconTo Next Page
To Next Page IconTo Next Page
To Previous Page IconTo Previous Page
To Previous Page IconTo Previous Page
Loading...
© Agilent Technologies 1989–2002 Agilent 3070 / 79000 Site Preparation 11-73
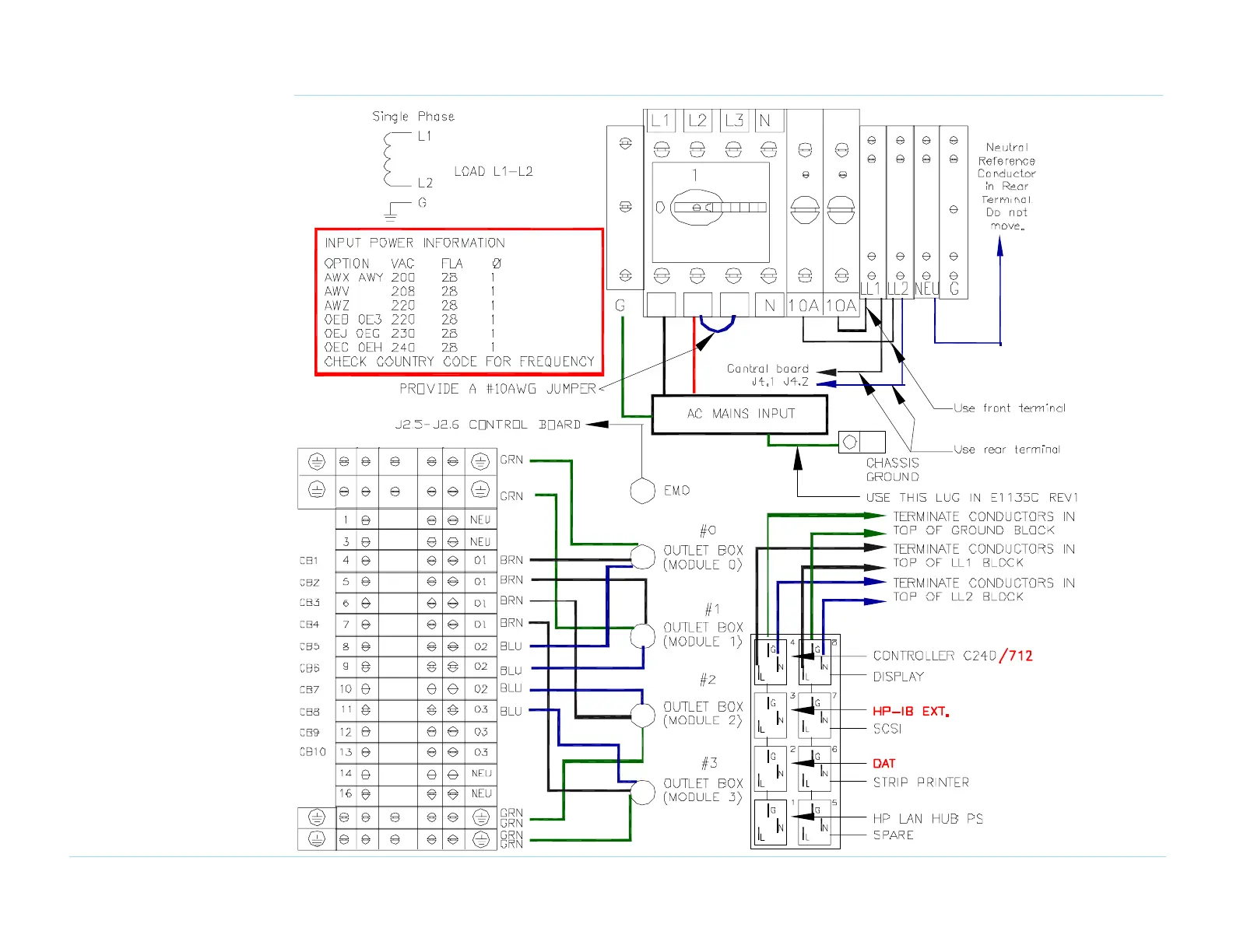
Chapter 11: Site Preparation – Series 3 / 79000 Current Reduction Conversion: Series 3 Current Reduction Conversion Procedure
Figure 11-52 3070 2-PDU AWX, AWY, AWV, AWZ, 0EB, 0E3, 0EJ,0EG, 0EC, 0EH
3070LL_1.wpg
T1 T2 T3

Table of Contents

Related product manuals