EasyManua.ls Logo

Ammann ARR 1575 - Page 333

Ammann ARR 1575
346 pages
Print Icon
To Next Page IconTo Next Page
To Next Page IconTo Next Page
To Previous Page IconTo Previous Page
To Previous Page IconTo Previous Page
Loading...
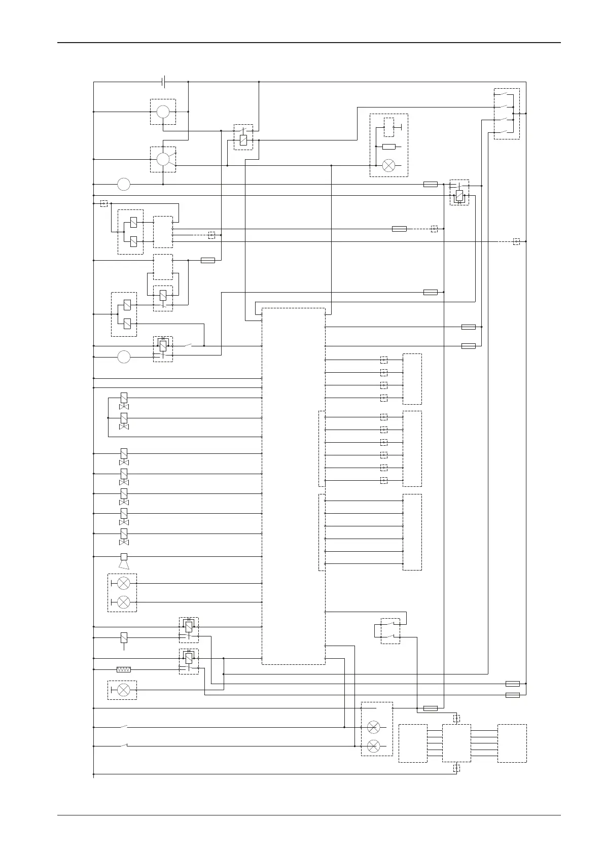
331ARR1575
30
31
50
15
30
31
D+
P
rt
rt/ws
swgb
86
30
85
87
pull
hold
wsrt
sw
Dieselpumpe
+12V
+14.5V
86
85
30
87
7
(E1)
8
(E2)
3
10
(B1)
11
(B2)
12
(U1)
13
(C1)
14
(C2)
15
(D1)
17
(K1)
5
(H1)
1
9
(F1)
6
(G1)
Motoröldruck
28
(W1)
27
(Y1)
29
(Z1)
19
(V1)
Motorhaltespule
Masse
Vorwärts
Rückwärts
Rückführung
Lenkung links
Lenkung rechts
grosse Amplitude
Bremsventil
Arbeitsdrehzahl
Vorglühen
Wassertemperatur
Abschaltbügel hinten
Spannungsversorgung
Logik
Anlasser
Motorsignal
Zündung
25A/1A
30A
0.5A
Motoröldruckschalter
Wassertemperaturschalter
21
(L1)
Abschaltbügel
gedrückt
22
(L2)
Error
16
(D2)
kleine Amplitude
2
Spannungsversorgung
Ausgänge
4
Masse
Steuerbus D+
23
(SB+)
Steuerbus D-
24
(SB-)
Spannungsversorgung +
25
(IRVcc)
Spannungsversorgung -
26
(IRGnd)
X11X12X13X14
1
8
6
5
++
+
-
3
+ +
4
2
7
68Ω
0.2A
0.2A
30
58
50
15
19
Batterie
Zündung
Anlasser
Vorglühen
Hydraulikölkühler
87
86
30
85
87a
Öltempschalter
1
sw
4
gr
2
br
3
bl
pull
hold
wsrt
sw
X34
X33
X32
X31
(TIER
4)
Pegel A
Pegel B
Spannungsversorgung +
Spannungsversorgung -
X56X55X54X53
vorne
6543
X4
0.5A
85
30
86
87
87a
87
86
30
85
87a
18
Horn
Led On +
GND -
X52X51
21
1
2
3
4
5
Shield
U+
GND -
CAN H
CAN L
1
2
3
4
5
Shield
U+
GND -
CAN H
CAN L
X62
X61
Pegel B
Spannungsversorgung +
Spannungsversorgung -
6543
X8
Led On +
GND -
21
Pegel A
hinten
101
102
122
123
124
125
127
160
161
105
118
107
112
111
110
104
103
108
113
114
115
116
117
120
121
109
169
170
171
172
173
149
174
153
151
155
152 106
130
150
154
175
132
126
128
129
145
146
166
144
165
137
147
148
143
141
163
142
162
140
138
139
133
135
134
179
178
167
180
182
181
177
176
159
157
158
156
185
131
164
136
br
gn
ws
shield
202
201
204
205
206
203
207
208
210211
ye
gr
212
213
Timer 1s
88888.8
Solenoid
Driver
IR Sensor with Beacon
Handsteuerung
IR Sensor with Beacon
87
86
30
85
87a
ASC
ACEecon
ACEecon
M
G2
R1
M
G
F22
10A
M1
G1
M2
F21
40A
Y1
K3
K4
H1
K2
Y3
Y4
Y5
Y6
Y7
Y9
Y2
F11
10A
F23
40A
F24
40A
H3
H4
S21
S22
F13
10A
K1
K5
K6
S24
Y8
N1
F12
25A
P3
R2
N2
H2
N2
N2
H5
N2
H6
S1
M
M3
K7
S25
F14
25A
Y11
K11
F25
40A
P1
N3
B1
A2
A1
P2
A3
10958087
WORKSHOP MANUAL

Table of Contents

Related product manuals