EasyManua.ls Logo

Ammann ARR 1575 - Page 335

Ammann ARR 1575
346 pages
Print Icon
To Next Page IconTo Next Page
To Next Page IconTo Next Page
To Previous Page IconTo Previous Page
To Previous Page IconTo Previous Page
Loading...
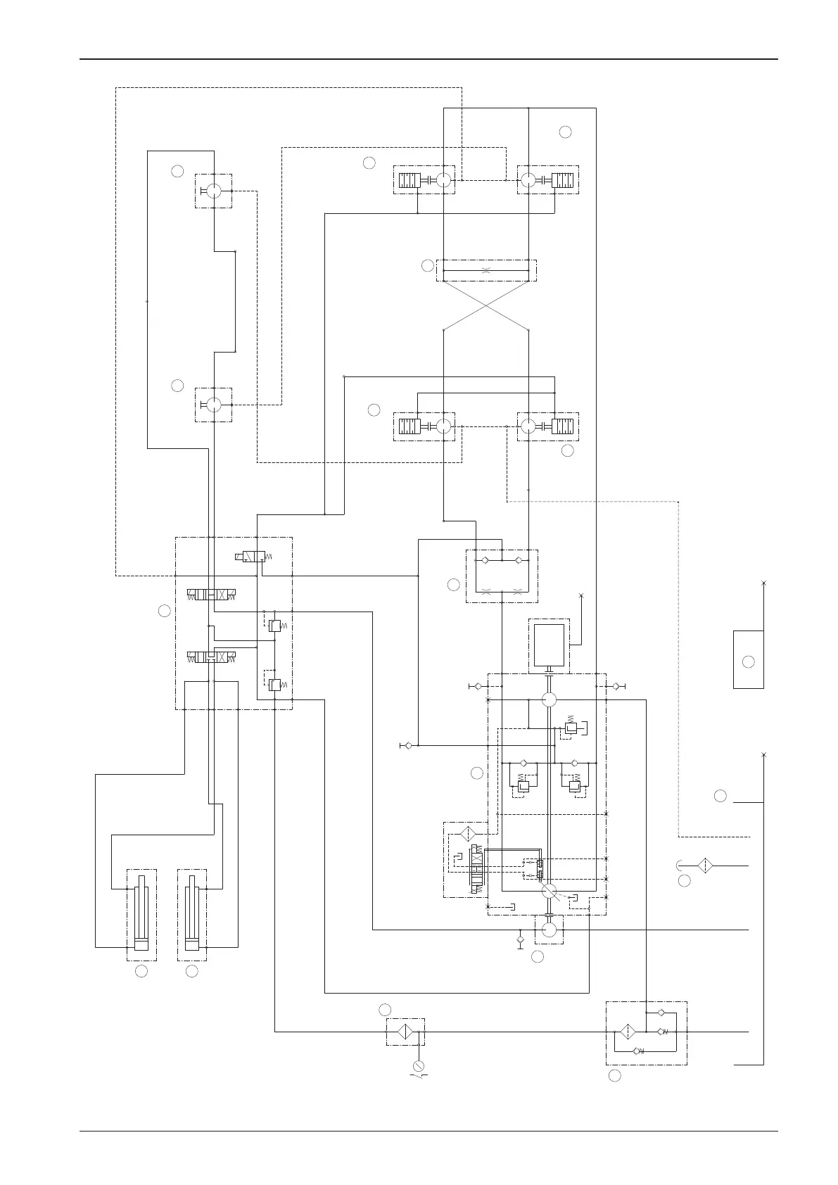
333ARR1575
11
Vibration and
Steering Pump
Travel pump
0 to18 ccm
T1
T2
G
S
Ma
A
B
Mb
Forwards
Backwards
Diesel
engine
2400 RPM
320 320
20
Y3
Y4
DN12
Left hydraulic
cylinder for steering
Right hydraulic
cylinder for steering
Hydraulic oil tank
Hydraulic oil lter
Oil cooler
Vent lter
in
out
2.5
bar
0.4
bar
DN25
DN20
5.6
Flow divider
408 ccm
Front left
travel motor
Rear left
travel motor
408 ccm
Rear right
travel motor
408 ccm
Front right
travel motor
408 ccm
Valve Block for Vibration,
Steering and Brake
DN12
DN12
DN25
DN8
DN8
DN8
DN8
DN8
DN8
DN20
DN8
DN8
DN8
Rear
vibration
motor
8ccm
Front
vibration
motor
8ccm
DN8
DN8
DN8
DN8
DN8
DN8
DN10
DN8
DN8
DN8
DN8
DN8
DN8
DN8
DN6
DN8
DN6
DN12
DN10
DN10
DN12
DN10
DN10
DN8
DN8
R
F
DN8
R
F
R
F
F
R
F
R
L
R
L
DN8
P
TA B
19.2 l/min
26.4 l/min
50/40°C
S25
Y5 Y6
Y7 Y8
Y9
210
60
P
T1
T2
T3
PBR
BR
B1
A1
B3
B2
A3
A2
R
F
R
R
F
R
F
DN12
Fuel tank
DN12
Nozzle block
Fe
Ps
R
X1
X2
10442344A
2
1
7
14
13
12
15
18
3
5
4
6
8
9
10
11
16
17
WORKSHOP MANUAL

Table of Contents

Related product manuals