EasyManua.ls Logo

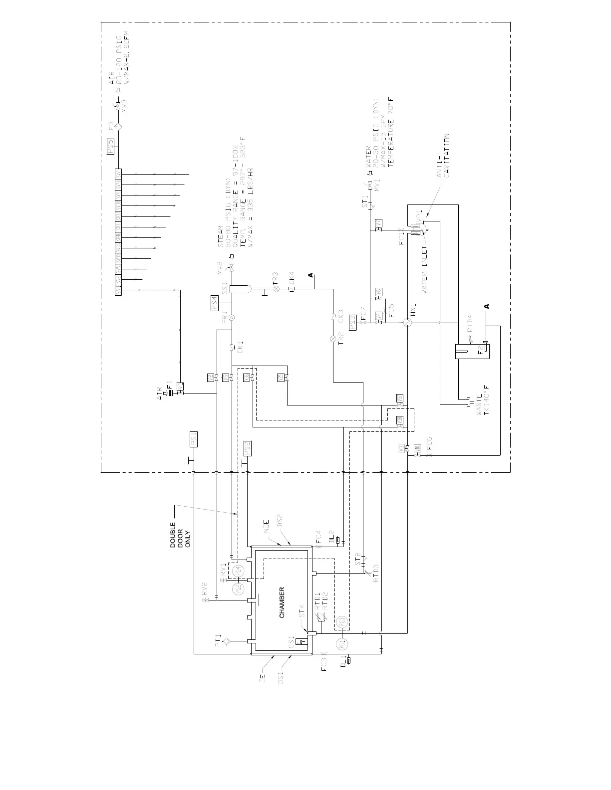
Amsco Evolution HC-600 - Figure 10-4. Evolution Sterilizer Piping Schematic

Amsco Evolution HC-600
146 pages
Print Icon
To Next Page IconTo Next Page
To Next Page IconTo Next Page
To Previous Page IconTo Previous Page
To Previous Page IconTo Previous Page
Loading...
10-9
Service Procedures Operator Manual P129390-106
Figure 10-4. Evolution Sterilizer Piping Schematic

Table of Contents

Related product manuals