EasyManua.ls Logo

APRILIA MXV 450 - General Wiring Diagram

APRILIA MXV 450
216 pages
Print Icon
To Next Page IconTo Next Page
To Next Page IconTo Next Page
To Previous Page IconTo Previous Page
To Previous Page IconTo Previous Page
Loading...
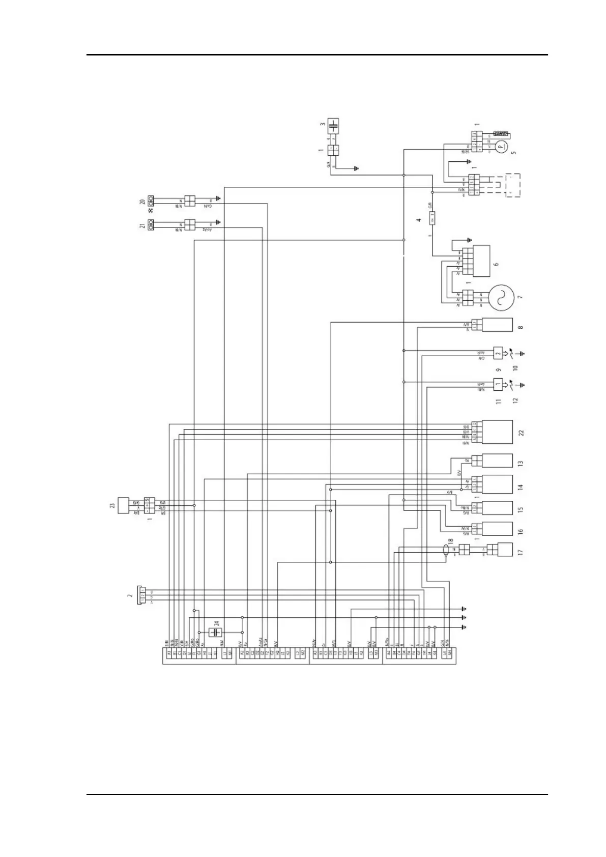
General wiring diagram
Key:
1. Multiple connectors
2. Diagnosis connector
3. Capacitor (buffer)
4. Fuse
MXV 450 Electrical system
ELE SYS - 51

Table of Contents

Related product manuals