EasyManua.ls Logo

Brother BAS-600 - Attaching the Machine Head

Brother BAS-600
118 pages
Print Icon
To Next Page IconTo Next Page
To Next Page IconTo Next Page
To Previous Page IconTo Previous Page
To Previous Page IconTo Previous Page
Loading...
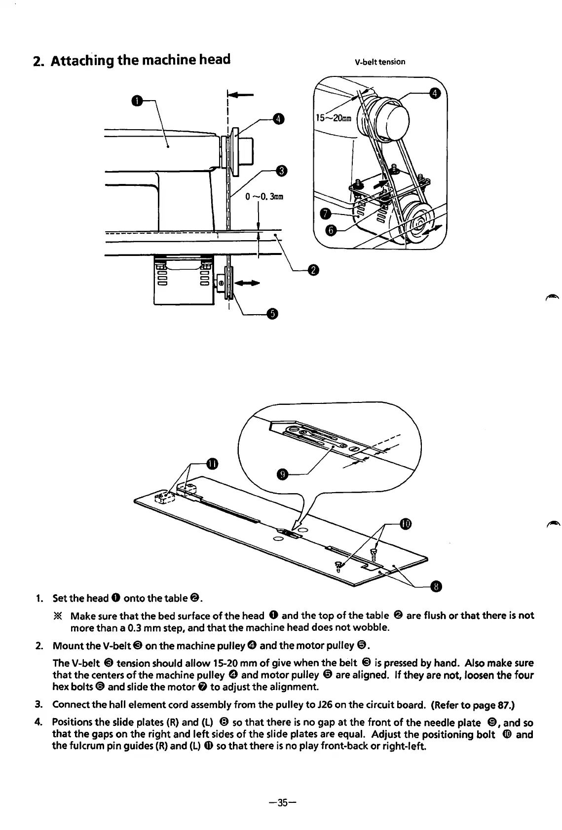
2. Attaching
the
machine head
V-belt tension
1.
Set
the
head 0
onto
the
table
8.
* Make sure
that
the bed surface
of
the
head 0 and
the
top
of
the
table 8 are flush
or
that
there
is
not
more than a
0.3
mm step, and
that
the
machine head does
not
wobble.
2.
Mount
the
V-belt@) on
the
machine pulley 8 and
the
motor
pulley
@).
The V-belt
@)
tension should
allow
15-20 mm
of
give when
the
belt
@)
is
pressed
by hand. Also make sure
that
the
centers
of
the
machine pulley e and
motor
pulley @ are aligned.
If
they
are not, loosen
the
four
hex bolts@ and slide
the
motor
f)
to
adjust
the
alignment.
3.
Connect
the
hall element cord assembly from
the
pulley
to
J26
on
the
circuit board. (Refer
to
page 87.}
4.
Positions
the
slide plates
(R)
and
(L)
@)
so
that
there
is
no gap
at
the
front
of
the
needle plate
@),
and
so
that
the
gaps on
the
right
and
left
sides
of
the
slide plates are equal. Adjust
the
positioning
bolt
ClD
and
the
fulcrum pin guides
(R)
and
(L)
4D
so
that
there
is
no play front-back
or
right-left.
-35-
From the library of: Superior Sewing Machine & Supply LLC

Table of Contents

Related product manuals