EasyManua.ls Logo

Brother S-710A - Page 135

Brother S-710A
153 pages
Print Icon
To Next Page IconTo Next Page
To Next Page IconTo Next Page
To Previous Page IconTo Previous Page
To Previous Page IconTo Previous Page
Loading...
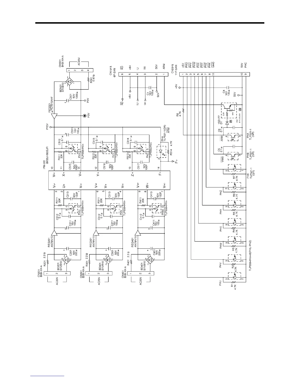
21. WIRING DIAGRAMS
SL-710A
128
Power supply circuit board assembly (DD7100) D-NDD3-240V (3/3)
1911M

Table of Contents

Related product manuals