EasyManua.ls Logo

Brother S-710A - Page 138

Brother S-710A
153 pages
Print Icon
To Next Page IconTo Next Page
To Next Page IconTo Next Page
To Previous Page IconTo Previous Page
To Previous Page IconTo Previous Page
Loading...
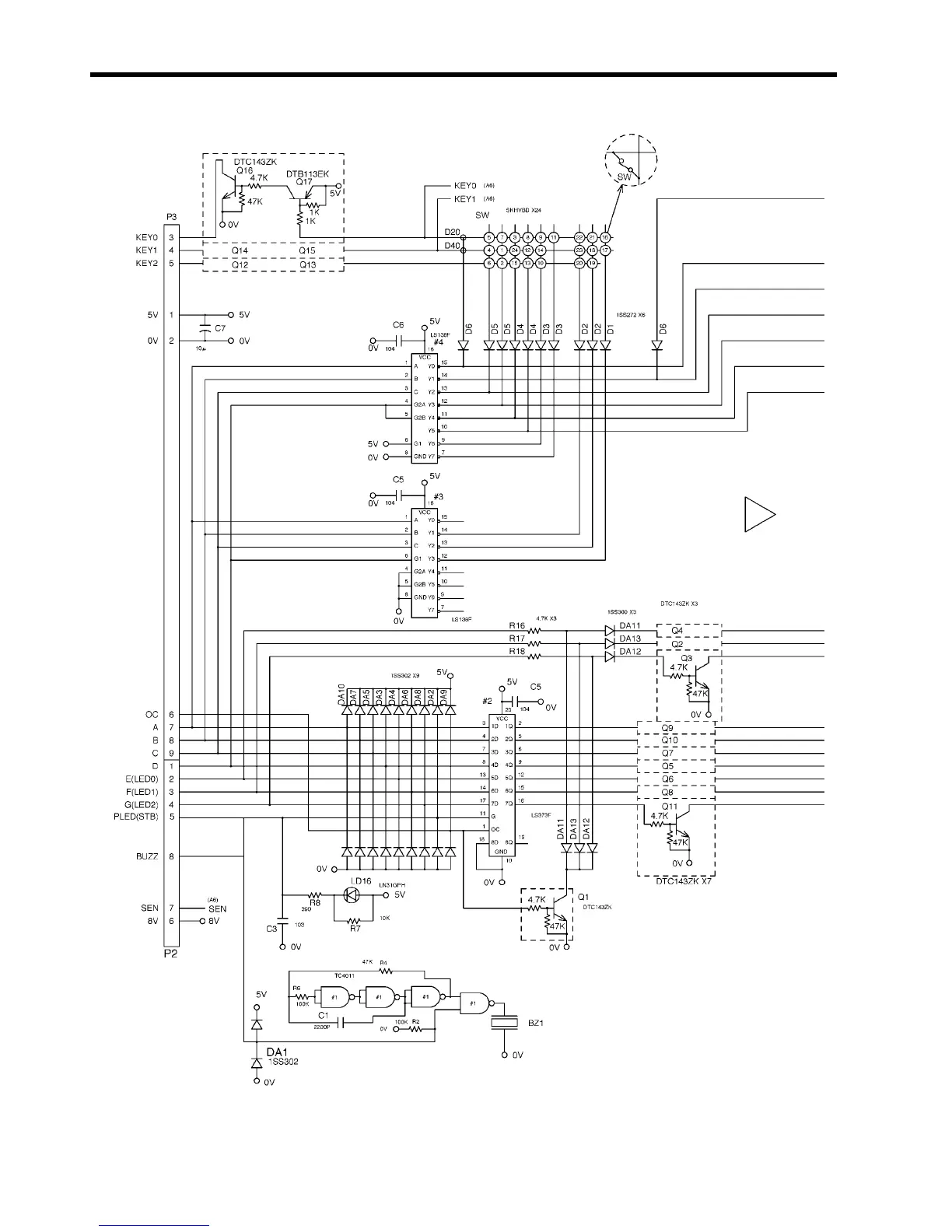
21. WIRING DIAGRAMS
SL-710A
131
Operation panel B-40 (2/3)
1914M

Table of Contents

Related product manuals