EasyManua.ls Logo

BUSKRO BK730-2 - Product Thickness Adjustment (Upper Transport)

BUSKRO BK730-2
157 pages
Print Icon
To Next Page IconTo Next Page
To Next Page IconTo Next Page
To Previous Page IconTo Previous Page
To Previous Page IconTo Previous Page
Loading...
Chapter 2 BK730-2 Base Page 2-22
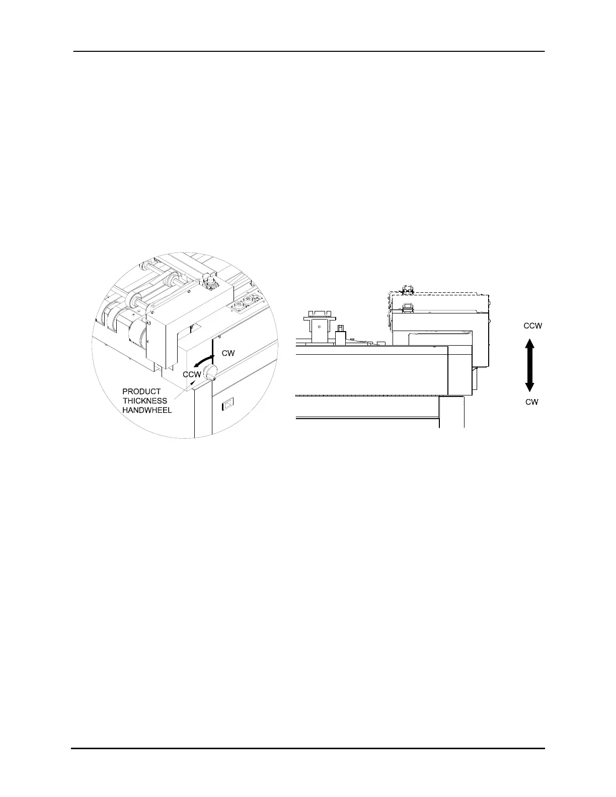
2.3.3 Product Thickness Adjustment (Upper Transport)
When feeding a new product, it may be necessary to adjust the upper transport assembly
and the Tabber/Labeler head peel point assembly to accommodate the product’s thickness.
Adjustment to the upper transport is made by rotating the product thickness handwheel
(Figure 2-10). The tabbing head peel point assembly also needs to be moved up or down
to accept different product thickness. Proper thickness adjustment will ensure that the
product is tabbed and conveyed in the tab-wrap section without skewing.
Figure 2-10: Product Thickness adjustment
In order to adjust the height of the upper transport:
1. Close the upper transport (it should be latched in place).
2. Raise the upper transport assembly sufficiently to allow free passage of the
product by rotating the product thickness handwheel counter-clockwise (CCW).
3. Place the product between the upper transport assembly’s outfeed rollers and the
table belt outfeed rollers.
4. Lower the upper transport assembly such that the product is snuggly held between
the rollers in step 3. Do this by rotating the product thickness handwheel in a
clockwise (CW) fashion. Perform a test by pulling the mailpiece to see if it is
snuggly held. Be careful not to put too much pressure on the mailpiece because it
can cause the upper transport belts to fall off the rollers or product skew.
Buskro Ltd. BK730-2 Tabber

Table of Contents