EasyManua.ls Logo

Case CX490D - Machine Components

Case CX490D
370 pages
Print Icon
To Next Page IconTo Next Page
To Next Page IconTo Next Page
To Previous Page IconTo Previous Page
To Previous Page IconTo Previous Page
Loading...
1-GENERALINFORMATION
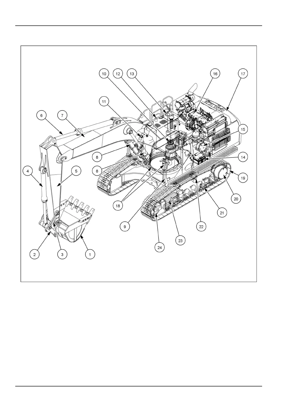
Machinecomponents
SMIL19CEX1980GB1
1.Bucket13.
Hydraulictank
2.Bucketlink14.
Battery
3.Armlink15.
Airlter
4.
Bucketcylinder
16.
Enginecompartment
5.
Arm17.
Counterweight
6.
Armcylinder
18.
Swingcomponent
7.
Boom19.
Shoes
8.
Boomcylinder
20.
Travelreductiongear
9.
Cab/Operationcompartment
21.Lowerroller
10.
Swingmotorassembly
22.
Upperroller
11.
DEF/ADBLUE®tank
23.
Recoilspring
12.Fueltank24.Idlerwheel
1-10

Table of Contents

Other manuals for Case CX490D

Related product manuals