EasyManua.ls Logo

CPI COTI - Input Circuit 1- LINEA

CPI COTI
170 pages
Print Icon
To Next Page IconTo Next Page
To Next Page IconTo Next Page
To Previous Page IconTo Previous Page
To Previous Page IconTo Previous Page
Loading...
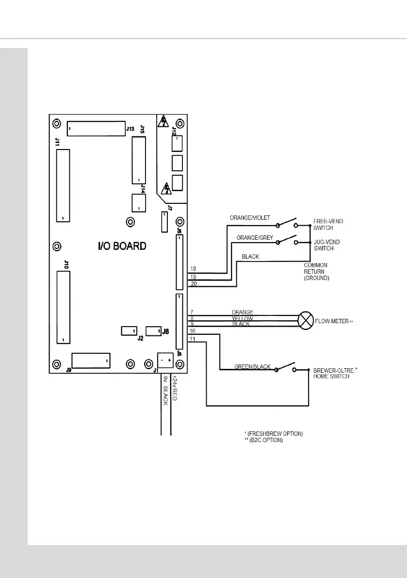
Secon 11 - Electrical / Electronic Diagrams
11.10 Input Circuit 1 - LINEA
144

Table of Contents

Related product manuals