EasyManua.ls Logo

CPI COTI - Heater Circuit - LINEA

CPI COTI
170 pages
Print Icon
To Next Page IconTo Next Page
To Next Page IconTo Next Page
To Previous Page IconTo Previous Page
To Previous Page IconTo Previous Page
Loading...
Secon 11 - Electrical / Electronic Diagrams
Technical Manual
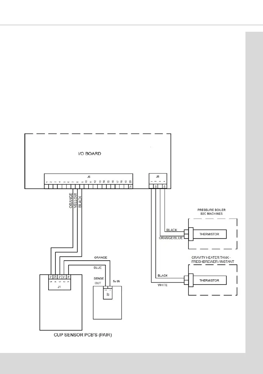
11.21 Heater Circuit - LINEA
The water temperatures in the Gravity Boiler and the Pressure Boiler (Espresso machines)
are controlled by NTC thermistor probes. They have a variable resistance - high resistance
when cold, low resistance when hot. The thermistor probe is in contact with the water and
connually monitor the water temperature. At room ambient temperature the thermistor
resistance is approx. 3000 ohms. At 205°F the thermistor resistance is approx. 200 ohms.
Both Boiler Heang Elements are controlled by a Solid-State Relay which are in turn con-
trolled from the I/O Board. The Gravity Boiler Element is rated at 1.2kW, and the Espresso
Boiler Element is rated at 1.0kW.
Should control of the Heang Elements fail for any reason, both Elements are protected by
inline reseable Thermal Cut-Outs. These are posioned in the overow pipe of the Gravity
Boiler (176°F), and on the casing of the Espresso Boiler (244°F).
155

Table of Contents

Related product manuals