EasyManua.ls Logo

CPI COTI - Power Circuit - COTI Instant & Freshbrew

CPI COTI
170 pages
Print Icon
To Next Page IconTo Next Page
To Next Page IconTo Next Page
To Previous Page IconTo Previous Page
To Previous Page IconTo Previous Page
Loading...
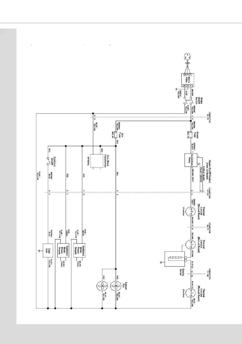
Secon 11 - Electrical / Electronic Diagrams
11.16 Power Circuit - COTI Instant / Freshbrew
110V AC
24V AC
176
O
176
O
244
O
1.2kW
150

Table of Contents

Related product manuals