EasyManua.ls Logo

Danfoss VLT AutomationDrive FC 300 - Page 146

Danfoss VLT AutomationDrive FC 300
296 pages
Print Icon
To Next Page IconTo Next Page
To Next Page IconTo Next Page
To Previous Page IconTo Previous Page
To Previous Page IconTo Previous Page
Loading...
C
C
567
22.3[ ]
0
0[ ]
58
2.3[ ]
0
0[ ]
123
4.9[ ]
188
7.4[ ]
246
9.7[ ]
0
0[ ]
C-C
130BC545.12
R
S
T
1
2
3
4
5
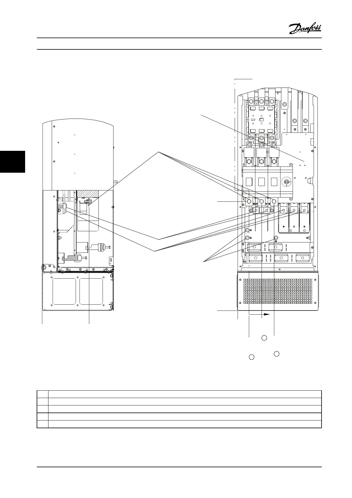
Figure 6.58 Terminal Locations, D8h with Contactor and Disconnect Options
1
TB6 Terminal block for contactor
2 Line Power Terminals
3 Brake Terminals
4 Motor Terminals
5 Ground Terminals
Table 6.31 Legend to Figure 6.58
Mechanical Installation
Design Guide
144 Danfoss A/S © Rev. 2014-02-10 All rights reserved. MG34S222
66

Table of Contents

Other manuals for Danfoss VLT AutomationDrive FC 300

Related product manuals