EasyManua.ls Logo

Danfoss VLT AutomationDrive FC 360 - 7.2 Wiring Diagram

Danfoss VLT AutomationDrive FC 360
146 pages
Print Icon
To Next Page IconTo Next Page
To Next Page IconTo Next Page
To Previous Page IconTo Previous Page
To Previous Page IconTo Previous Page
Loading...
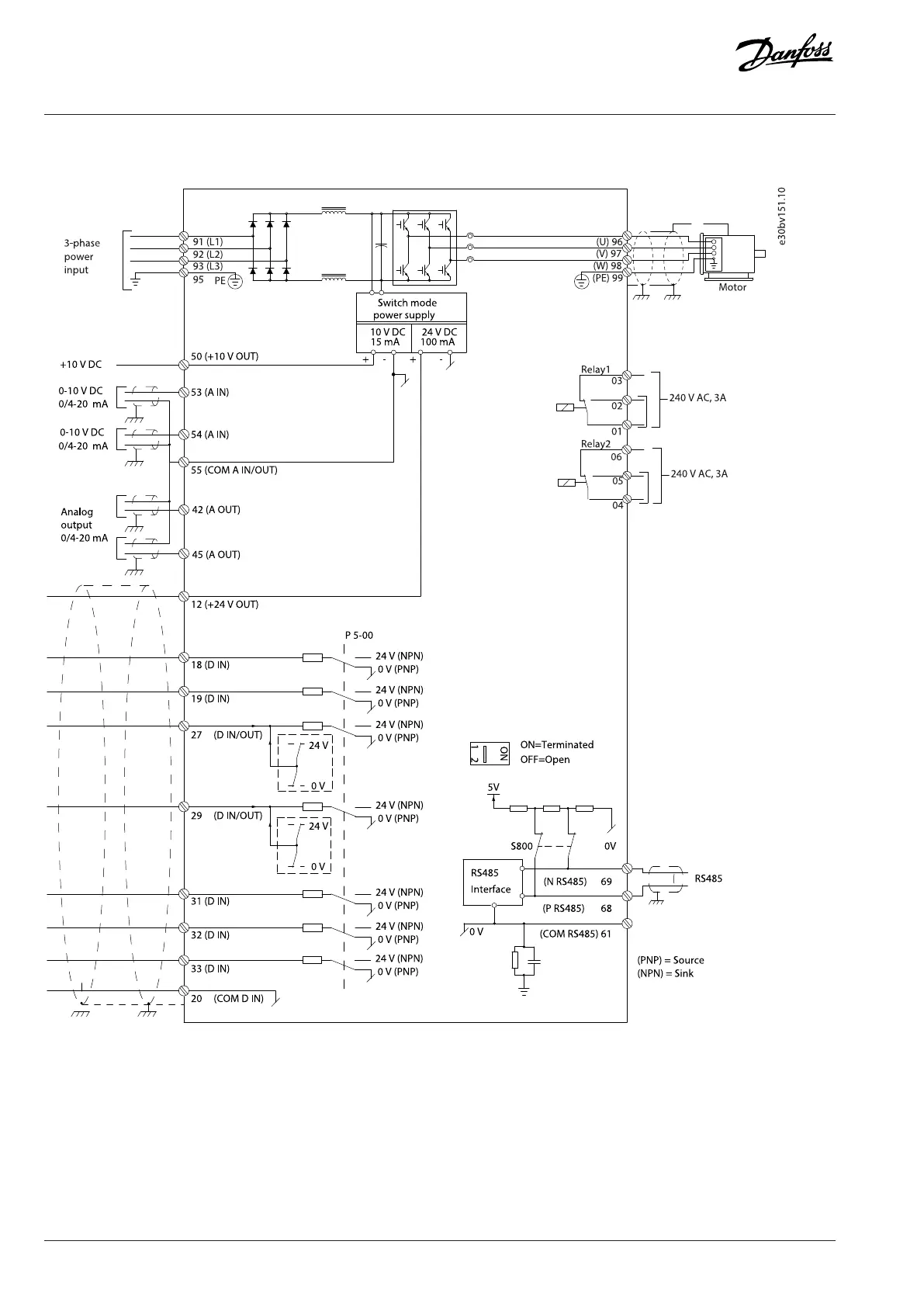
7.2 Wiring Diagram
Figure 20: Wiring Diagram
50 | Danfoss A/S © 2024.01 AJ435824192086en-000101 / 130R1295
Design Guide | VLAutomationDrive FC 360

Table of Contents

Other manuals for Danfoss VLT AutomationDrive FC 360

Related product manuals