EasyManua.ls Logo

Diamond DA 62 - Page 409

Diamond DA 62
506 pages
Print Icon
To Next Page IconTo Next Page
To Next Page IconTo Next Page
To Previous Page IconTo Previous Page
To Previous Page IconTo Previous Page
Loading...
DA 62 AFM Airplane Description
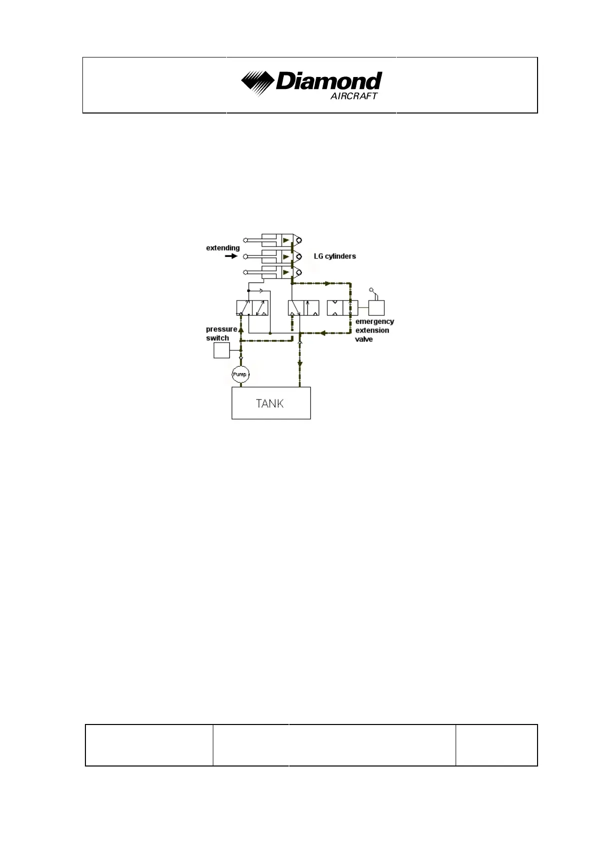
For an emergency extension of the landing gear, the hydraulic fluid can pass through
an emergency extension valve so that the gear is extended by gravity. The condition of
the system is shown in the figure below.
Doc. No. 11.01.05-E Rev. 0 11-Jan-2019 Page 7 - 17

Table of Contents

Related product manuals