EasyManua.ls Logo

Diamond DA 62 - Turbo-Charger System

Diamond DA 62
506 pages
Print Icon
To Next Page IconTo Next Page
To Next Page IconTo Next Page
To Previous Page IconTo Previous Page
To Previous Page IconTo Previous Page
Loading...
Airplane Description DA 62 AFM
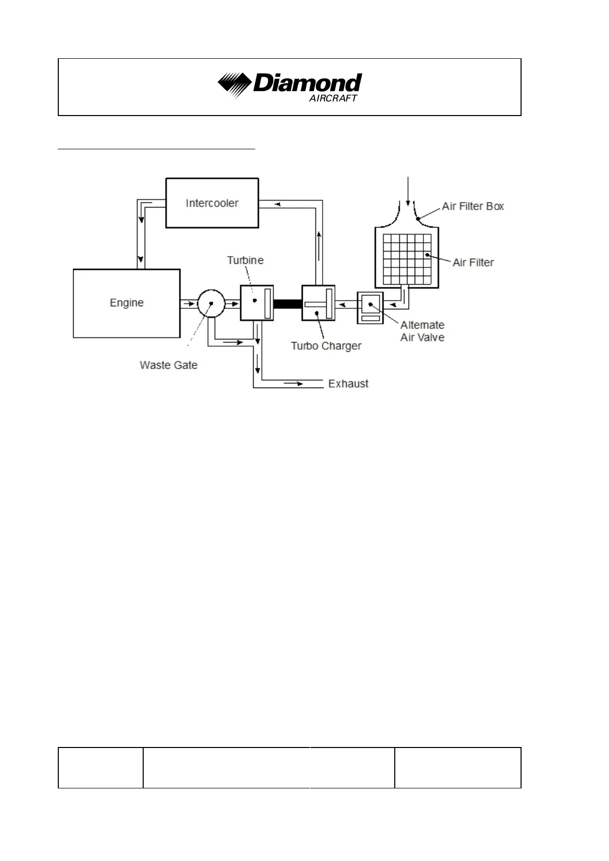
7.9.8 TURBO-CHARGER SYSTEM
The exhaust system contains a manifold which collects exhaust gases from the outlets
of the cylinders and feeds them to the turbine of the turbo charger. Behind the turbine,
the exhaust gases are guided through the lower cowling to the exterior of the airplane.
Excess exhaust gases bypass the turbine. The bypass is controlled by the ECU through
the waste gate valve. A manifold pressure sensor behind the compressor allows the ECU
to calculate the correct position of the waste gate valve. This prevents excessive manifold
pressures at low density altitudes. The intake air is compressed in the compressor which
is driven by the turbine, and is subsequently cooled down in the intercooler to increase
power. Cooling the air increases efficiency through the higher density of the cooler air.
Page 7 - 60 Rev. 0 11-Jan-2019 Doc. No. 11.01.05-E

Table of Contents

Related product manuals