EasyManua.ls Logo

Diamond DA 62 - Cooling System

Diamond DA 62
506 pages
Print Icon
To Next Page IconTo Next Page
To Next Page IconTo Next Page
To Previous Page IconTo Previous Page
To Previous Page IconTo Previous Page
Loading...
Airplane Description DA 62 AFM
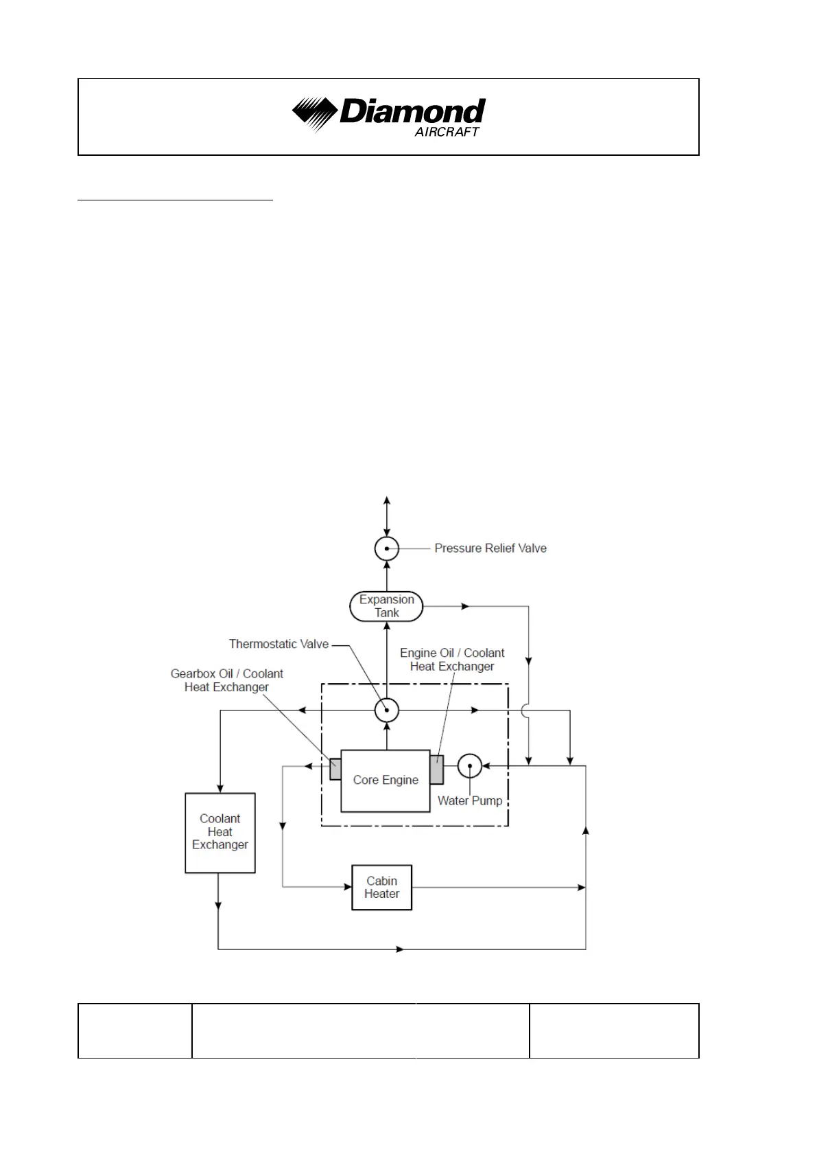
7.9.6 COOLING SYSTEM
The engine is liquid cooled. The liquid cooling system consists of two circuits. The first
(small) cooling circuit is always active and includes an integral gearbox oil/coolant heat
exchanger and a cabin air heat exchanger.
The second cooling circuit (large) includes an integral engine oil heat exchanger and a
large main coolant cooler. The second cooling circuit activates through a thermostat, when
the coolant reaches approximately 75°C (167°F). The flow through the heat exchanger
is independent of the coolant temperature. An expansion tank helps to adjust the pressure
in the system. The system is protected against overpressure by means of a pressure
relief valve.
Page 7 - 58 Rev. 0 11-Jan-2019 Doc. No. 11.01.05-E

Table of Contents

Related product manuals