EasyManua.ls Logo

Diamond DA 62 - Electrical System

Diamond DA 62
506 pages
Print Icon
To Next Page IconTo Next Page
To Next Page IconTo Next Page
To Previous Page IconTo Previous Page
To Previous Page IconTo Previous Page
Loading...
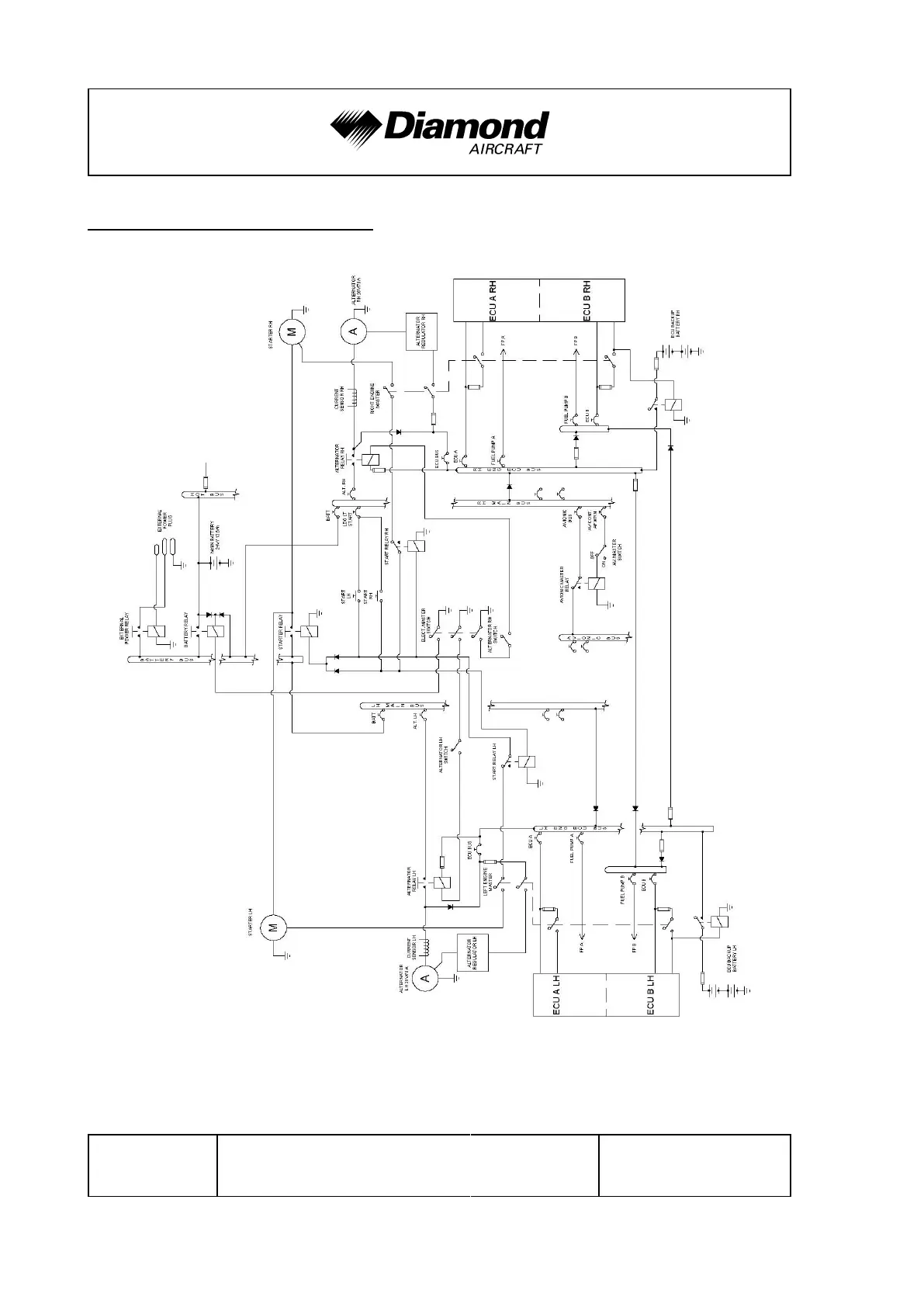
Airplane Description DA 62 AFM
7.10 ELECTRICAL SYSTEM
Page 7 - 62 Rev. 0 11-Jan-2019 Doc. No. 11.01.05-E

Table of Contents

Related product manuals