EasyManua.ls Logo

Fona XPan DG Plus - Dual Power Supply

Fona XPan DG Plus
148 pages
Print Icon
To Next Page IconTo Next Page
To Next Page IconTo Next Page
To Previous Page IconTo Previous Page
To Previous Page IconTo Previous Page
Loading...
Technical Manuals
124
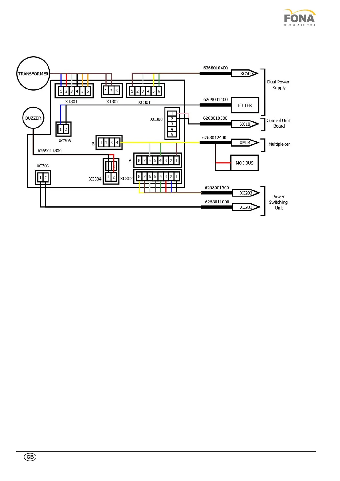
2.5.2. Dual Power Supply

Table of Contents

Related product manuals