EasyManua.ls Logo

Fona XPan DG Plus - Ceph Interconnection Board

Fona XPan DG Plus
148 pages
Print Icon
To Next Page IconTo Next Page
To Next Page IconTo Next Page
To Previous Page IconTo Previous Page
To Previous Page IconTo Previous Page
Loading...
FONA XPan DG Plus
129
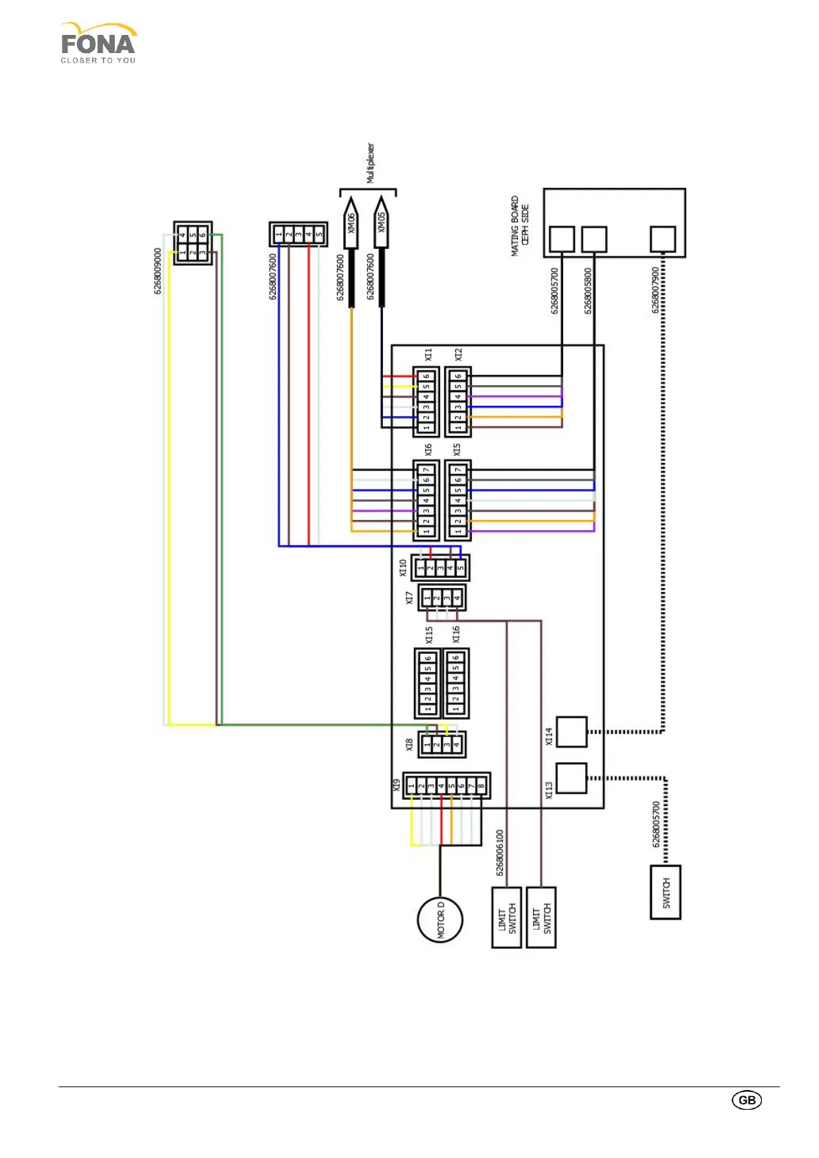
2.5.7. Ceph Interconnection Board

Table of Contents

Related product manuals