EasyManua.ls Logo

Haldex EB+ Gen3 - System Drawing Layout - ILAS -E Front

Haldex EB+ Gen3
132 pages
Print Icon
To Next Page IconTo Next Page
To Next Page IconTo Next Page
To Previous Page IconTo Previous Page
To Previous Page IconTo Previous Page
Loading...
EB+ Gen3Installation guide
892013 Innovative Vehicle Solutions
Date
Title:
Replacement for:
ILAS-E Front
06.09.12
Schering
1
2
3
4
5
6
7
8
9
10
Pos. Qty.
Name:
Drawing:
11
Checked Name:
12
13
14
15
16
17
18
19
20
21
Pos.
Qty. Description
Customer
22
Part No.
1
1
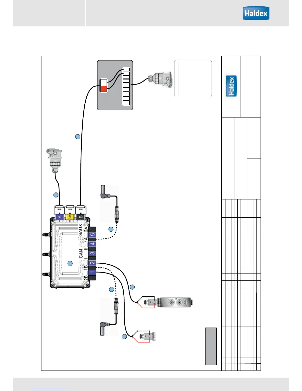
2
Power ISO 7638
Description
CustomerPart No.
Backup Power
(Option)
3
4
AUX3002.00
5
478910
11121415
2 Sensor Cable 3m
814 004 401 -
1 EB+ Modulator
823 008 001 -
1 ISO 7638 Cable 12m
814 003 102 -
1 24N Cable 6m
814 002 222 -
1 AUX Cable 7m DIN
814 012 201 -
Example Only
Date
6
ILAS-E Front
1 AUX Cable 1m DIN
814 012 221
-
Colas
®
RtR
+
-
Air suspension
Return to ride height
RD
(+)
BK
(-)
RD
(+)
BK
(-)
WHRD
Light System / ISO 12098
4 – Ground (B-)
7 – Stop Light
8 – Reverse Light
9 – Supply (B+)
10 – Wear Control (free)
11 – Trailer Brake Control
12 – Traction Assist
14 – no allocation
15 – no allocation
System drawing layout - ILAS
®
-E front

Table of Contents

Related product manuals