EasyManua.ls Logo

Haldex EB+ Gen3 - Page 94

Haldex EB+ Gen3
132 pages
Print Icon
To Next Page IconTo Next Page
To Next Page IconTo Next Page
To Previous Page IconTo Previous Page
To Previous Page IconTo Previous Page
Loading...
EB+ Gen3 Installation guide
94 Innovative Vehicle Solutions 2013
Date
Title:
Replacement for:
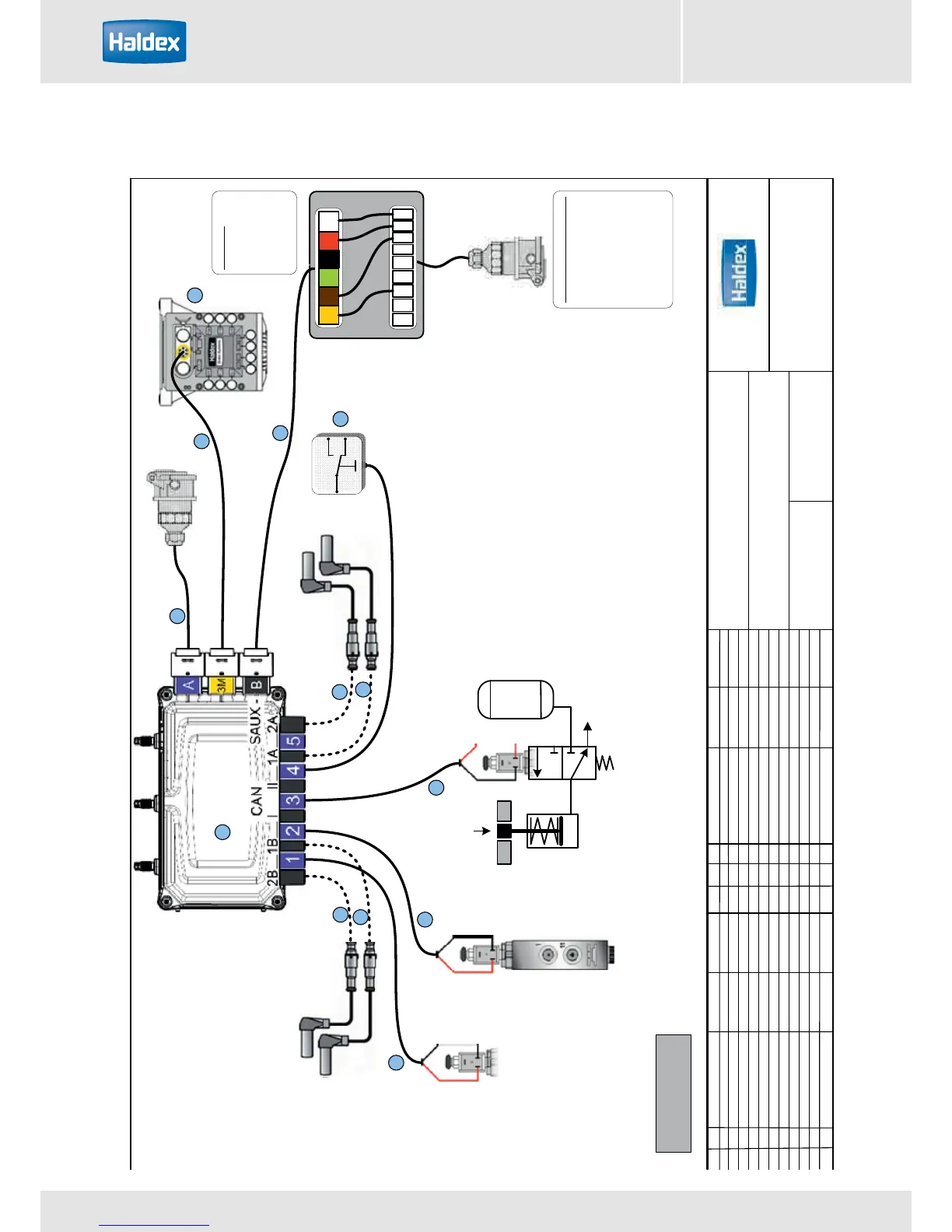
Steer Axle Lock * (4S/3M)
06.09.12
Schering
1
2
3
4
5
6
7
8
9
10
Pos. Qty.
Name:
Drawing:
11
Checked Name:
12
13
14
15
16
17
18
19
20
21
Pos.
Qty. Description
Customer
22
Part No.
1
1
2
Power ISO 7638
Description
CustomerPart No.
3
4
AUX4001.00
5
478910
11121415
2 Sensor Cable 3m
814 004 401 -
1 EB+ Modulator
823 034 001 -
1 ISO 7638 Cable 12m
814 003 102 -
1 SAUX Cable 6m
814 002 301 -
1 AUX Cable 7m DIN
814 012 201 -
Example Only
Date
6
ILAS-E Front
2 AUX Cable 1m DIN
814 012 221
-
*) ILAS-E using side of vehicle and cab switch / Steer axle lock using reverse light
Colas
®
RtR
+
-
Air suspension
Return to ride height
RD
(+)
BK
(-)
RD
(+)
BK
(-)
7
Signal < 5 s = Traction Assist
Signal > 5 s = Lift axle OFF
1 Switch / Cable 7m
815 040 001
-
Lock
1
2
3
6
RD
(+)
BK
(-)
Steer axle
lock device
9
10
8
8
2 Sensor Cable 6m
814 004 411 -
1 Gen3 Link Cable 5m
814 041 021 -
1 Gen3 Slave Valve
810 023 001 -
YE BN GN
BK
RD WH
RD
YE
Light System / ISO 12098
4 – Ground (B-)
7 – Stop Light
8 – Reverse Light
9 – Supply (B+)
10 – Wear Control (free)
11 – Trailer Brake Control
12 – Traction Assist
14 – no allocation
15 – no allocation
Super Aux
WH – Ground (B-)
RD – Stop Light
YE – Input A
BN – Input B
GN – Input C
BK – Output 24V
System drawing layout - steer axle lock (4S / 3M)

Table of Contents

Related product manuals