EasyManua.ls Logo

Hisun HS200UTV - Lubrication Oil Way

Hisun HS200UTV
312 pages
Print Icon
To Next Page IconTo Next Page
To Next Page IconTo Next Page
To Previous Page IconTo Previous Page
To Previous Page IconTo Previous Page
Loading...
-80-
SPECIFICATIONS
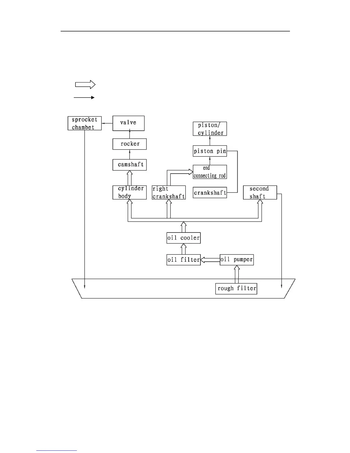
LUBRICATION OIL WAY
LUBRICATION OIL WAY
Pressure
splashing oil
MAINTENCE AND ADJUSTMENT OF THE UTV
- 81 -
MAINTENCE AND ADJUSTMENT OF THE UTV
NOTE:
The correct maintenance and adjustment are necessary to ensure vehicle and normal driving
The repair personnel should be familiar with the contents of this article.
MAINTENANCE SCHEDULE
ITEM ROUTINE
Whichever
comes first
EVERY INITAL
month 1 3 6 6 12
km 320 1,200 2,400 2,400 4,800
(mi) (200) (750) (1,500) (1,500) (3,000)
hours 20 75 150 150 300
Exhaust system*
· Check for leakage.
· Tighten if necessary.
· Replace gasket(s) if necessary.
Spark arrester
·Clean.
Fuel line*
·Check fuel hose for cracks or damage.
·Replace if necessary.
Air filter element
· clean.
·Replace if necessary.
Every20-40hours
More often in wet of dusty areas.
Front brake*
· Check operation/ fluid leakage.
· Correct if necessary.
Rear brake*
· Check operation.
· Adjust if necessary.
Wheel
·Check balance/damage/
· Repair if necessary.
Front and rear
suspension*
· Check operation.
·Correct if necessary.
Wheel bearing*
· Check bearing assemblies for
looseness /damage.
·Replace if necessary.
Steering system*
·Check operation./Replace if damaged
·check toe-in./Adjust if necessary.
Select lever safety
system cable
·Check operation.
· Adjust if necessary.
Drive shaft universal
joint*
· Lubricate with lithium–soap–based
grease.
Axle boots*
· Check operation.
· Replace if damaged.
Fittings and
fasteners*
·Check all chassis fittings and fasteners.
·Correct if necessary.
Valves
· Check valve clearance.
· Adjust if necessary.

Table of Contents

Related product manuals