EasyManua.ls Logo

Honeywell Farenhyt Series - Unshielded Twisted Pair Wiring between Multiple Panels; Fiber Optic Multi-Mode Wiring between Multiple Panels

Honeywell Farenhyt Series
212 pages
Print Icon
To Next Page IconTo Next Page
To Next Page IconTo Next Page
To Previous Page IconTo Previous Page
To Previous Page IconTo Previous Page
Loading...
63 IFP-300 / IFP-300ECS Manual P/N LS10145-001SK-E:B 12/18/2017
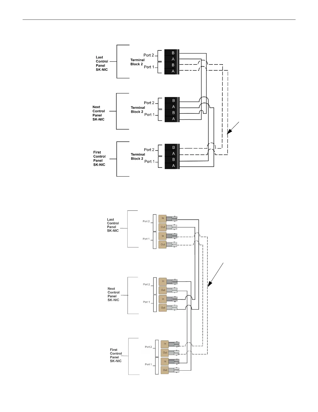
Unshielded Twisted Pair Wiring between Multiple Panels
Unshielded twisted pair wiring between multiple panels is shown in Figure 5.7. Class A wiring is shown with a dotted line.
Figure 5.7 Twisted Pair Wiring Configuration
Fiber Optic Multi-Mode Wiring between Multiple Panels
Fiber optic cable between multiple panels is shown in Figure 5.8. Class A is shown with a dotted line.
Figure 5.8 Fiber Optic Wiring Multi-Mode Example
Class A
wiring
Class A wiring

Table of Contents

Other manuals for Honeywell Farenhyt Series

Related product manuals