EasyManua.ls Logo

HP 1660 Series - Schematic

HP 1660 Series
140 pages
Print Icon
To Next Page IconTo Next Page
To Next Page IconTo Next Page
To Previous Page IconTo Previous Page
To Previous Page IconTo Previous Page
Loading...
Schematic
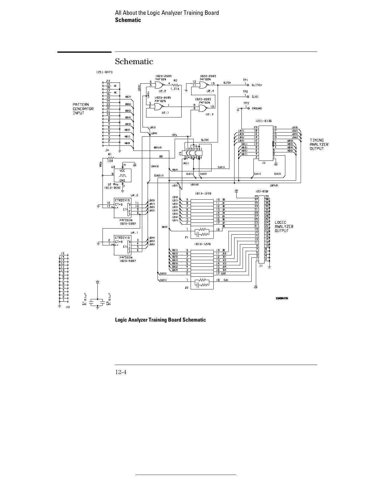
Logic Analyzer Training Board Schematic
All About the Logic Analyzer Training Board
Schematic
12-4
Get other manuals https://www.bkmanuals.com

Table of Contents

Other manuals for HP 1660 Series

Related product manuals