EasyManua.ls Logo

HUSABERG FE 570 EU - Of 3 (FE AUS)

HUSABERG FE 570 EU
285 pages
Print Icon
To Next Page IconTo Next Page
To Next Page IconTo Next Page
To Previous Page IconTo Previous Page
To Previous Page IconTo Previous Page
Loading...
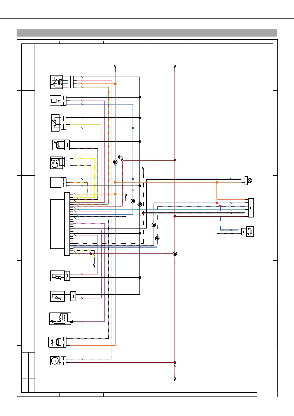
WIRING DIAGRAM 256
36.82 of 3 (FE AUS)
E
D
C
B
F
A
E
D
C
B
F
A
87
65
4
3
2
1
87
65
4
3
2
1
P.
Page:
2
3
1
2
3
4
5
67
89
10
11
12 13 14 15 16 17 18 19
20
21
22 23 24 25 26 27 28 29 30
31
32 33 34 35 36
DT/36
-A1
/1.D3
#1036
-X101
BH/6
AP/6
-X50
1
23
4
5
6
-X10
M
DV/2
-M2
1
2
DQ/2
-Y1
1
2
1
-L2
AX/2
-B6
1
2
-X9
AT/2
-X51
2
1
AL/2
/3.C5
#1071
/1.C3
#1071
/1.C5
#1123
-X6
-X7
/3.C3
#1112
-X5
1
2
-H1
/1.D3
#1048
DV/2
EL/2
-B2
1
2
-X11
p
DX/3
-B4
1
23
AL/2
AT/2
-L1
1
2
AP/6
-B1
4
5
6
CM/2
-B7
1
2
L
CU/4
DY/4
-B5
23
4
1
EX/3
-B3
2
1
3
450/570 FE AUS
42
43
44
46
48
50
52
53
55
58
61
63
66
45
47
49
51
54
56
57
59
60
62
64
65
67
43
80
79
50
44
45
114
96
98
47
99
103
61
101
107
59
57
56
100
55
102
42,89,100,112
72,104
53
79,98,97
80,96,99,114,103 60,107,101
63
87,88
85,86 64
91,92,105,113 81,82,102
54
72
81,82
58
112
89
87
85
51
90
91
86
88
49
92,93
62,90
65
66,67
93,105,113
52
104
48
46
97
600835-01

Table of Contents

Related product manuals