EasyManua.ls Logo

HUSABERG FE 570 EU - Of 3 (FE EU)

HUSABERG FE 570 EU
285 pages
Print Icon
To Next Page IconTo Next Page
To Next Page IconTo Next Page
To Previous Page IconTo Previous Page
To Previous Page IconTo Previous Page
Loading...
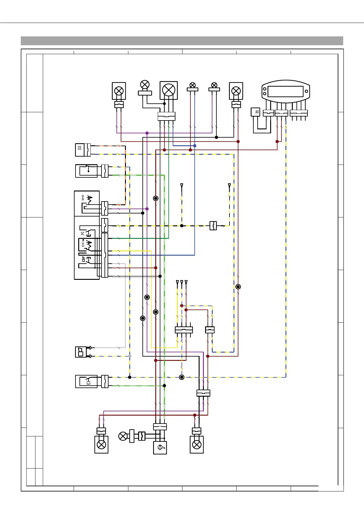
WIRING DIAGRAM 242
36.33 of 3 (FE EU)
E
D
C
B
F
A
E
D
C
B
F
A
87
65
4
3
2
1
87
65
4
3
2
1
P.
Page:
3
3
CV/4
BY/4
-X200
1
23
2.1
2.22.32.4
4
/1.D3
#1037
/2.C8
#1071
/1.D4
#1077
BV/2
BS/2
-X300
1
2
2.1
2.2
BG/3
AJ/3
-X400
1
23
2.1
2.2 2.3
-X16
-X17
G
AH/2
-K3
1
2
CW/2
CX/2
-H2
1
2
CW/2
CX/2
-H3
1
2
1
2
-H4
-X12
/2.E5
#1112
P
AH/2
AK/2
-S6
1
2
-H10
1
2
AH/2
AK/2
-S2
1
2
1
2
-H7
AJ/3
BG/3
BV/2
BS/2
-H12
1
23
1
2
-H11
DI/2
1
2
-H8
DI/2
BP/4
DG/4
4
32
1
-H9
-X13
BA/1
BF/1
-X52
1
2.1
CY/3
CZ/3
DA/4
DB/4
CW/2
CX/2
1
2
1
23
1
23
4
-P1
CW/2
CX/2
-H6
1
2
CW/2
CX/2
-H5
1
2
-X15-X18
G
-B8
1
2
/1.B3
#1113
R
L
2
1
3
AJ/3
BG/3
-S4
HI
LO
AC/6
BA/1
BF/1
BC/6
-S5
1
23
4
5
6
1
450/570 FE EU
1,2 1
3
2
3
12
27
21
5
9
12
23,121
37
16
34,35
25
33
19,36
25
24
22
20
8
4
4
8
17,18
28
10,11,9
6,7,5
7
11
6
13
35
31
34
37
32
36
14
10
29
30
26
13,14
15
17
16
15
84
81
82
83
73
81,82
84,83
73
18
19
20,21
116
115
117,118
22,24,27 26
23
28,3329,30,31,32
65
65
116
118
115
117
121
600833-01

Table of Contents