EasyManua.ls Logo

IAI SCON-CB-F - Page 377

IAI SCON-CB-F
450 pages
To Next Page IconTo Next Page
To Next Page IconTo Next Page
To Previous Page IconTo Previous Page
To Previous Page IconTo Previous Page
Loading...
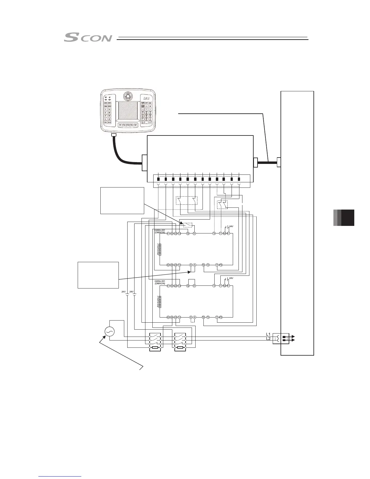
10. Appendix
361
3) In case of category 3 or 4
TB-02D or TB-01D(R)
(or Dummy plug: DP-4S)
Connection Cable CB-CON-LB***
Controller
● SCON
ENBOUT
ENBIN
ENB2+
ENB2-
ENB1+
ENB1-
EMGOUT
EMGIN
EMG2+
EMG2-
EMG1+
EMG1-
RCB-LB-TGS
Motor
Power
Supply
Motor Power Supply
SCON : 100V AC/200V AC
12
11
10
9
8
7
6
5
4
3
2
1
Solenoid Contactor Solenoid Contactor
Enable SW
Reset SW
Emergency Stop SWEmergency Stop SW
For Category 4, insert
Reset Switch as shown
in the diagram.
For Category 3, layout
the wiring without
inserting Reset Switch.
For Category 4, make
the connection of A
and B open.
For category 3, make
a short circuit
between A and B.

Table of Contents

Related product manuals